Thread: Wiring Diagram check
Threaded View
-
20-12-2015 #14
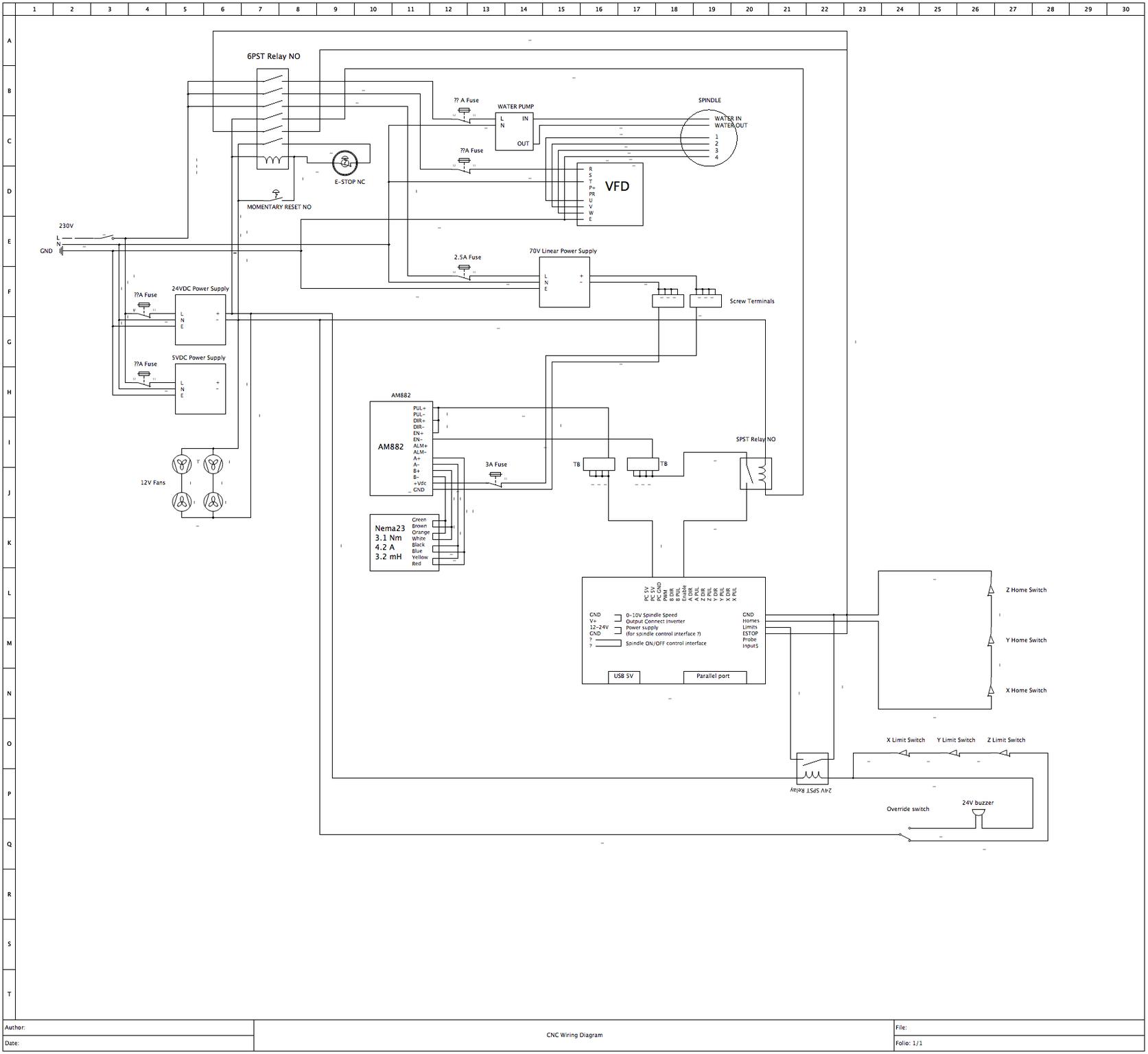
The BOB input names are relevant especially when you are asking basic questions.
.
I believe you are using two 12V fans in series so that you can power them from a 24V supply now have a look at the drawing re the buzzer and the relay coil and see if you can work that out. (I am not trying to be difficult but you have to fully understand the reason) clue is you are halving the voltage with the fans.
.
.
The purpose of the override switch is simply to provide a path to ground to energise the relay in the absence of a limit being tripped ie opened...Clive
The more you know, The better you know, How little you know
Thread Information
Users Browsing this Thread
There are currently 2 users browsing this thread. (0 members and 2 guests)
Similar Threads
-
Which wiring diagram software do you use ?
By eurikain in forum Computer SoftwareReplies: 3Last Post: 11-10-2015, 02:48 PM -
VFD Wiring Diagram
By Tomnewry in forum General ElectronicsReplies: 9Last Post: 14-10-2013, 06:46 PM -
Wiring diagram for 4x4 cnc router
By Danielroyal25 in forum General ElectronicsReplies: 1Last Post: 19-07-2013, 11:14 PM -
NEW MEMBER: Hi, Looking for a wiring diagram, Melbourne
By Sampop in forum New Member IntroductionsReplies: 1Last Post: 28-10-2010, 11:18 AM -
Hardinge hc chucker wiring diagram
By hrdg4me in forum General ElectronicsReplies: 4Last Post: 16-12-2009, 03:57 PM




Reply With Quote
Bookmarks