Thread: Wiring Diagram check
Threaded View
-
20-12-2015 #15
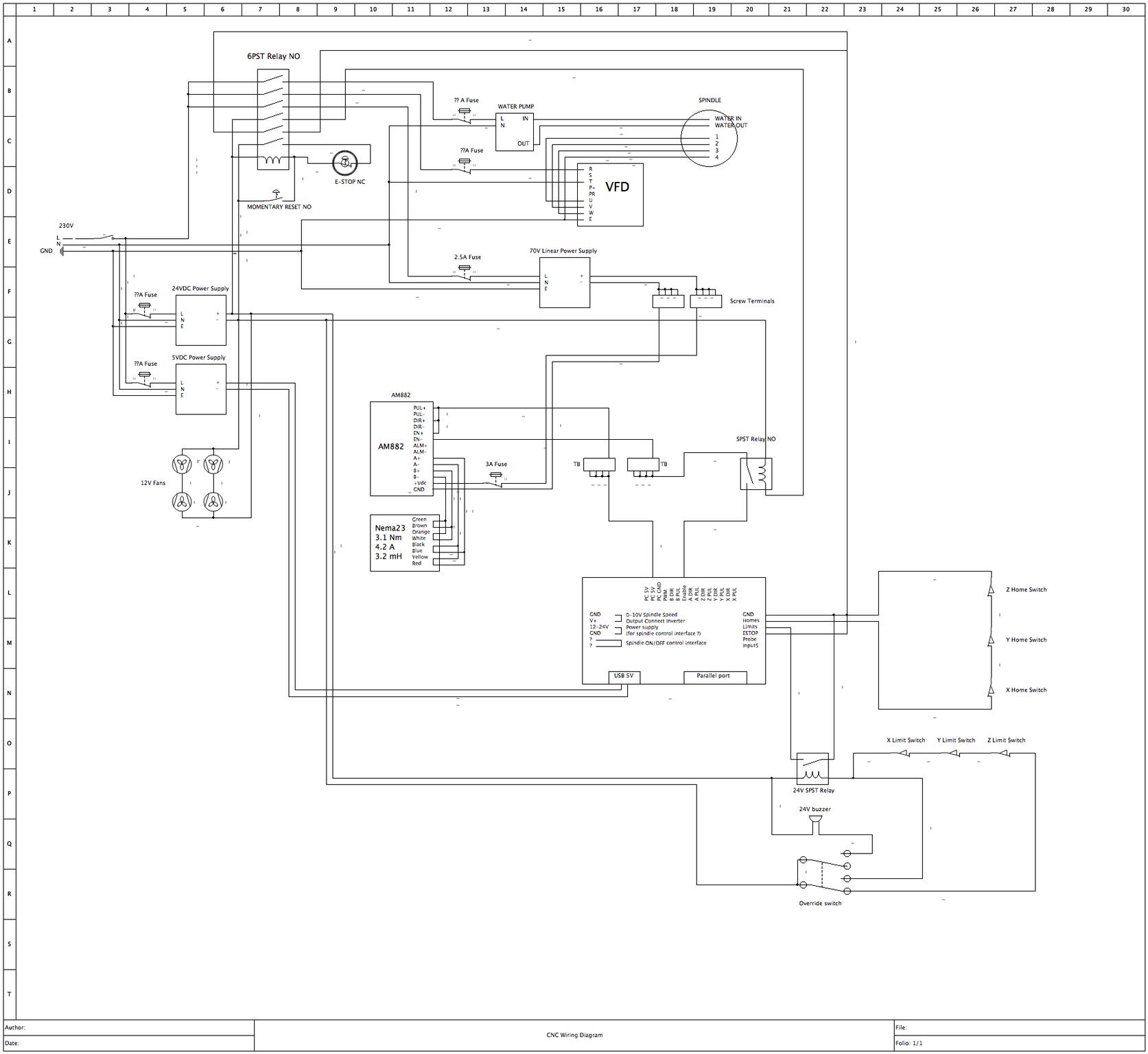
Alright, I get it now :) Wiring the buzzer in series drops the voltage in half, therefore both the relay and buzzer get 12V, which obviously isn't enough for the relay. So, I need to wire relay and buzzer in parallel and the SPDT switch allows opening the override line that bypasses all switches PLUS a parallel line where the buzzer is. Back to physics 101... ! :D Is this correct ?
EDIT:
I still have to make the changes for the contractor and for the VFD stop.Last edited by eurikain; 20-12-2015 at 04:34 PM.
Thread Information
Users Browsing this Thread
There are currently 1 users browsing this thread. (0 members and 1 guests)
Similar Threads
-
Which wiring diagram software do you use ?
By eurikain in forum Computer SoftwareReplies: 3Last Post: 11-10-2015, 02:48 PM -
VFD Wiring Diagram
By Tomnewry in forum General ElectronicsReplies: 9Last Post: 14-10-2013, 06:46 PM -
Wiring diagram for 4x4 cnc router
By Danielroyal25 in forum General ElectronicsReplies: 1Last Post: 19-07-2013, 11:14 PM -
NEW MEMBER: Hi, Looking for a wiring diagram, Melbourne
By Sampop in forum New Member IntroductionsReplies: 1Last Post: 28-10-2010, 11:18 AM -
Hardinge hc chucker wiring diagram
By hrdg4me in forum General ElectronicsReplies: 4Last Post: 16-12-2009, 03:57 PM



Reply With Quote
Bookmarks