Thread: Mach 3 ports and pins problems,
Hybrid View
-
04-04-2017 #1
Tom Cslabs doesn't recongnise Dir Low active for changing motor direction. None of the port/Pin are used either so set to Zero. If want to swap axis the you do it in the Cslabs Plug-in and re-assign channels. By default X = Ch0 Y=ch1 Z=ch2. So if want to swap X & Y then just set X=ch1 Y=ch0. No wire swapping required.
You would do this if view machine from front so X runs across gantry and Y along the length. This will make it display correctly or make sense inside mach.
Go to Config/Homes/limits and change the Reversed option. You may have to change Home negative as well so goes right way when homing.
If keys don't do what you want then go into system hot keys and change the jogging keys.
Also if setup Softlimts and you change axis channels you'll need to change these as well.Last edited by JAZZCNC; 04-04-2017 at 05:50 PM.
-
04-04-2017 #2
Thanks Dean
You replied just after went to my cave,
I swapped the cables over A+ with B+ A-with B- and motor goes like I wanted together with DRO
Yes, X travel along the gantry, had problem with Limit overide - mach had to be restarted, than could not jog when soft limit was on.
TBH I have more problems with Csmio than I gad with usb module, at least homing is sweet.
I discovered that motor pins do not do anything will set to zero for clarification.
I have noise or false signal from X++ sensor which is NPN NO inductive sensor with 2 targets (Home Switch safety - off)
While HV enable and my relay is on (power to drivers 48V) suddenly limit switch is triggered - message, but can not see any blink on module. I traced that sensor by individualy disabling inputs and found X++ linmit responsible for that.
My cable are screened. Have one earth point, previous panel had few and was ok.
This is big problem as I do not have limit on X now. Same wiring, was ok with XHC module.
I adjusted input signal filter 50xus but still the same.
Any idea?
-
04-04-2017 #3
Could be number of things but why your most likely getting this happening with IP-M and not other boards is because of the speed and sensitivity of the IP_M I/O. It's much much quicker than most others to reacting to signals however the down side is that it's less tolerent of bad wiring or Dodgy switches etc.
So this could be number of things and difficult to advise with accuracy without seeing more or being in front of machine.
I'd start by putting the Signal filter back to default = 1. Shouldn't need this and I've never had to raise this on any machine even when using cheap mechanical switches or prox switches. Having set high will drasticly slow down the reaction times but more importantly will mask any real issues.
Next I'd go back to the start and trace all wires to make sure none lose or shorting etc. Then check the switches closely, swap over to other axis and see if moves etc.
The IP-M is rock solid with noise so i'm confident it will turn out to be wiring or switch at fault.
Sorry can't helo more than that.
-
05-04-2017 #4
Does the false limit trip happen with one axis in home position, or away from home position? I had a similar problem which was caused by the Z axis homing but not moving far enough from the prox switch once homed and causing it to randomly trigger while the other axes were moving. This was also with CSMIO. Fix (thanks to Jazz) was to set Z home position offset 0.5mm from physical home position (Mach3 homing parameters) so trigger clear of switch. Have not had a false trigger since. I had worried that it might be noise problems (limit switch and motor cables in same cable chains, etc) but CSMIO seems pretty good.
-
06-04-2017 #5
Neale
Its quite hard to determine what actually happens, as there is no light either on switch or input light on module when trip occures.
My sensor is close to the motor Z - even closer after upgrading them for bigger 8 cables one.
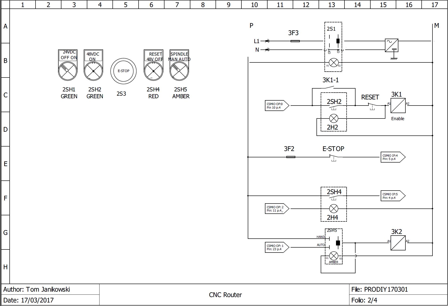
[ATTACH=CONFIG]21360[/ATTACH
Dean's feedback open my mind to one thing. I use HV enable with manual start push button, so after reset nothing happens till I press the button and send current the motors.
- (drawing not complete yet)
There must be poor screen on signals cable from switch - will moved input to different axis to see if this will send the same fault - think it will.
I run all cables in one chain - no so much room left 30% maybe, it is last time when I us such a small control box - much harder to work with - small machine small box:)
Thread Information
Users Browsing this Thread
There are currently 1 users browsing this thread. (0 members and 1 guests)
Similar Threads
-
Parallel ports problems
By Cnc many in forum Computer HardwareReplies: 28Last Post: 16-12-2015, 01:59 AM -
circle cutting mach 3 problems help please
By millmateuk in forum Artsoft Mach (3 & 4)Replies: 1Last Post: 13-06-2013, 07:04 AM -
problems with mach or windows
By johngoodrich in forum Computer SoftwareReplies: 2Last Post: 02-03-2012, 07:23 PM -
ports and pins for system4
By Dan Brown in forum Motor Drivers & ControllersReplies: 2Last Post: 18-01-2010, 06:37 PM -
Ports and pins help ? mach 3
By xchipx in forum Artsoft Mach (3 & 4)Replies: 0Last Post: 19-04-2009, 12:45 PM



Reply With Quote

Bookmarks