Thread: 250mW LASER stuck on
Hybrid View
-
11-07-2009 #1
Theres a load of waffle in this post - what it really boils down to is "what's a good way for a BOB signal to switch 12v DC, 500mA power"?
I've got one of those 250mW LASER modules. I've soldered up the constant-current supply circuit, fed it some electric from a 12v wall-wart transformer, and got a nice shiny red line coming out the front of the LASER. Lovely.
But what I'd like to do is to be able to turn it on and off really quickly, so I can draw dots and lines etc.
I'm pretty quick at flicking a power switch on a 13A mains socket, but not *that* quick. :heehee:
I use an SSR to control my proxxon mini-drill from the computer (EMC2), which works very nicely. But when I use the same method to control the LASER, the beam takes a while to switch off. About half a second. It's the capacitor in the wall wart doing its best to smooth the power.
So I've then tried using a FET. But I'm no electronic whizz. I can read a circuit diagram, but I'm lost when it comes anything remotely tricky.
It's a little 2.7A power MOSFET. I've used them before to control a 1A LED from a microprocessor, so I thought this would be a doddle.
The Gate is connected to the logic pin from the BOB.
The Sink is connected to ground, and the 12v LASER circuit connects between Drain and 12v.
But the LASER stays on constantly.
So here's the questions (at last!)
1) Does the FET sound like a good plan? In the way I described?
2) What do other people use to switch this kind of thing?
Cheers!
Keith.
p.s. To save anyone worrying about my eyesight, with the 250mW LASER bouncing about everywhere... I've actually been cunning, and while testing I'm just using a a dozen LEDs across the constant-current power circuit, rather than the LASER diode.
-
11-07-2009 #2
Keith,
To switch a FET on the gate voltage needs to rise above the sink by at least 1 or 2 volts or so, but no more than the Vgs(max) parameter of the device but a lesser known fact is that at very low drain-source currents (<0.2A) it can turn on sufficiently at a gate voltage as little as 1v.
It would help to know what FET you are using but if you are using devices such as the IRL520N you may find you can't turn the FET off sufficiently.
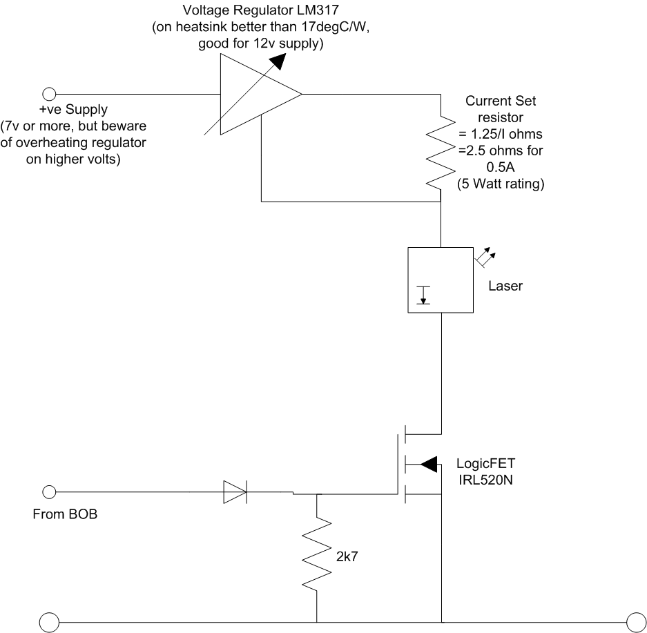
The attached shows a circuit that should work...
regards,
Irving...Last edited by irving2008; 11-07-2009 at 07:18 PM.
-
11-07-2009 #3
Kip, Good suggestion - except that it's on *all* the time. It's not reversed off-is-on and on-is-off.
No Eye Dear - yes, very good...
Reminds me of the LASER safety sign: "DO NOT LOOK INTO THE BEAM with your remaining good eye"
Irving
Thank you - the diagram is really useful.
The FET I'm using is an FDN359AN - a fiddly surface mount thing.
The Vgs max is +-20v, which looks fine.
The gate threshold for switch-on is 3v max, 1.6v typical.
The circuit I've used is *very* similar to the one you show - An LM317 rigged as a current regulator.
What I don't have though, is the diode into the Gate of the FET, or the resistor down to ground.
*Numpty question*
Are they important?
(I'm not sure if this changes anything, but I ought to admit that it's not a straightforward BOB it's connected to. It's a CRH Electronics 'System 3+' driver board. Reading the instruction manual, it says that the output I'm connecting to the FET is 'buffered and capable of driving up to 30mA')
Keith.
-
11-07-2009 #4
the diode/resistor is to allow gate charge to drain away and allow the FET to turn off fully. A buffered logic output *should* pull down hard enough to do so, but I have experience of them not doing so...
If you have a test meter, what is the voltage swing at the gate? If you disconnect the BOB does the laser go off? It could be a dodgy FET of course... or reversed so the source-drain diode is conducting... (I know you've probably checked that, but I've lost count of the number of times I have checked and doubled checked and *still* managed to get it back to front!)
-
12-07-2009 #5
To follow up this comment...
A FET is charge driven not voltage driven, the gate is a capacitor. The FET turns on when the gate charge exceeds a specific amount and off when that charge is depleted below a certain limit. Charge = current x time so to turn the FET on you need to pump enough charge in which means charging the gate capacitor. The datasheets helpfully give the charge required, in this case about 3.5 nanoCoulumb (nC) which means a pulse of about 1uS and 3.5mA will turn it on, and similarly a 3.5mA current should turn it off in about the same time. The actual gate voltage is not critical, its only needed to drive sufficient current into the gate capacitor and to maintain the charge as it leaks away.
Long and short of it is that a Bob output, buffered or not, should easily be able to drive and sink sufficient current to turn the FET on or off.
-
12-07-2009 #6
Thanks for all the info and advice.
Irving, I've measured the voltage swing on the BOB output. 0.00 to 4.99 volts when switching the spindle off and on from EMC. Seems spot on.
Hank, I've taken the FET out of the circuit and carried out the check. With the multimeter on 'diode' setting, I got 0.17v accross source and drain when 'on'. As soon as I toucheda across source and gate, it read 'OL' (open).
That suggests the FET is working correctly, and suggests I'm not mixing up the pins.
I've then soldered the FET back into the circuit, and added the diode and 2k7 resistor to the gate for good measure.
Still no joy. LEDs light all the time. :sad:
The LEDs/LASER circuit draws 180mA (I've got it 'turned down' while I'm testing) whatever the BOB outputs. That's the same as it was drawing when I plugged the LED circuit straight into the 12v supply, without this FET switching malarkey.
More background:
The 12v supply is from a 'wall wart'. Transformer, 4 rectifying diodes and a capacitor.
The LASER driver circuit that came with the LASER looks like this...
Any more suggestions?
Cheers,
Keith.
-
11-07-2009 #7
One other possibility is that your FET is up the swanee...if it's gone short circuit your LEDs (laser) would be on all the time.
This is going to be tricky to fix unless you have access to a Voltmeter (with ohmeter built in)...
http://www.uoguelph.ca/~antoon/gadgets/mostest.htm
As Irving says, check the Gate voltage for both your 'on' condition & 'off' condition.
(FETs can be a little unpredicatable with their actual 'cutoff' coltages vs their spec'ed datasheet cutoff voltage...it may well be the FET you have needs more than 5V to cut the gate off)
-
12-07-2009 #8
I reckon you need to establish what the cutoff voltage for your FET really is (as it's being help 'on' all the time)....like I say the 'actual' can differ somewhat from the 'spec'.
here's what I'd do...
('scuse the scribble ....back of an envelope - literally, & while cookinng the family bacon sarnies with my other hand!!)
...you'll need a variable resistor** (can be any value really)...just adjust the pot's wiper until the LED turns off & then measure your voltage at the gate. I reckon you'll find your fet needs more than +5V to turn it off. If so, you'll need a FET with a low cutoff voltage.
** if you don't have a variable resistor you could use a resistor chain to get different voltage presented at the gate. Eg a 5k + 5K resistor chain will give you 6V at the gate etc.Last edited by HankMcSpank; 12-07-2009 at 01:13 PM.
-
12-07-2009 #9
Hank,
Many thanks again.
I think I'd better leave this for today.
I couldn't find a pot to make a divider into the gate... until I realised there was one on the LM317's adjust line that I could 'borrow' for a bit.
There's me thinking that the gate won't take much current...
There's me thinking that the little 20 ohm trimpot will be fine.
There's me, connecting a 20 ohm trimpot straight across 12v.
There's melting plastic oozing out of the sides.
<sigh> Life is a learning experience.
Ah yes. The smell of burnt plastic makes me remember Ohms law. V=IR. A 12 volt drop across 20 ohms is... 0.6A
I'll find something other than a 20 ohm trimpot in the next few days, and see what the actual cutoff voltage is...
Keith.
-
12-07-2009 #10
Ummm, think there is some confusion Hank...
With an N-channel FET a positive gate voltage with respect to the source pin turns it ON, by charging up the gate capacitor. A zero gate voltage will turn it OFF (eventually) when the gate charge dissipates.
Thread Information
Users Browsing this Thread
There are currently 3 users browsing this thread. (0 members and 3 guests)
Similar Threads
-
feedrate stuck on low
By routercnc in forum Machine DiscussionReplies: 1Last Post: 24-04-2014, 10:24 PM -
Laser cutter
By John S in forum Laser Machines & BuildingReplies: 8Last Post: 02-06-2012, 02:16 PM -
WANTED: GCc Laser Pro or Epilog Laser Cutter Machine
By Brownhills school in forum Items WantedReplies: 1Last Post: 10-05-2012, 04:30 PM -
help with cnc laser
By swinds in forum Laser Machines & BuildingReplies: 11Last Post: 09-01-2012, 10:15 PM -
new laser
By mike techserv in forum Milling Machines, Builds & ConversionsReplies: 6Last Post: 06-06-2009, 02:17 PM



Reply With Quote


Bookmarks