2 Attachment(s)
Proximity wiring for limit switches, safety relay and a contactor
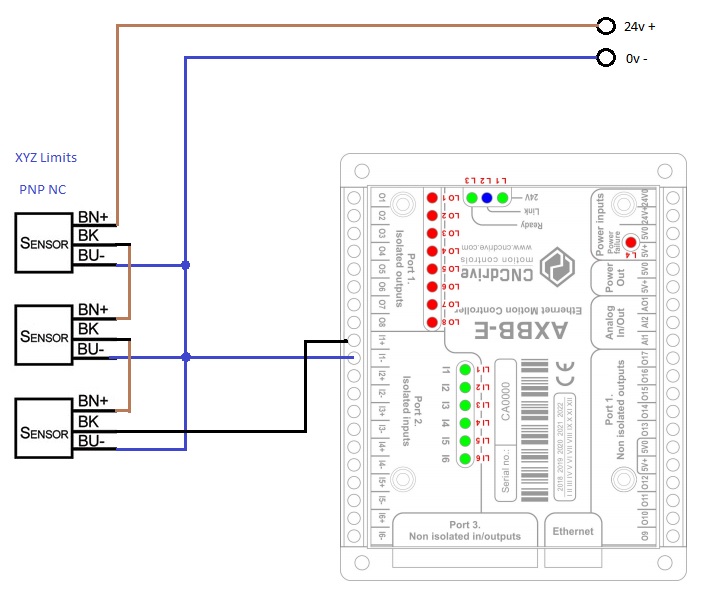
Can someone take a look at my quick sketch for proximity limit switche wiring please.
I have PNP NC switches so I believe I will need to wire in series for the limits to trigger. I want X, Y and Z all on one input for the Limits and I used normally closed as I believe they are safer as if a circuit is broken it will trigger the input.
Does the circuit look right?
Attachment 25723
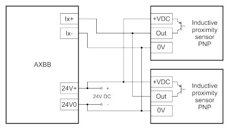
For reference, this is how the AXBB_E manual shows to wire the PNP sensors in parallel but that is not suitable for normally closed switches.
Cheers,
Charlie
Attachment 25724
Re: Proximity wiring for limit switches
your wiring of the PNP N/C switches to the AXBB_E looks correct to me
having both the + & - terminals of the AXBB_E opto-isolator inputs free to wire as required
makes it easy to use the PNP N/C switches
John
Re: Proximity wiring for limit switches
Quote:
Originally Posted by
john swift
your wiring of the PNP N/C switches to the AXBB_E looks correct to me
having both the + & - terminals of the AXBB_E opto-isolator inputs free to wire as required
makes it easy to use the PNP N/C switches
John
Cheers John, I'll wire them up and see how i get on. I think I'll be visiting the electronics section quite a few times tbh! I've got to figure out where I put the safety relay and / or contactor yet!
Sent from my SM-G920F using Tapatalk
1 Attachment(s)
Re: Proximity wiring for limit switches
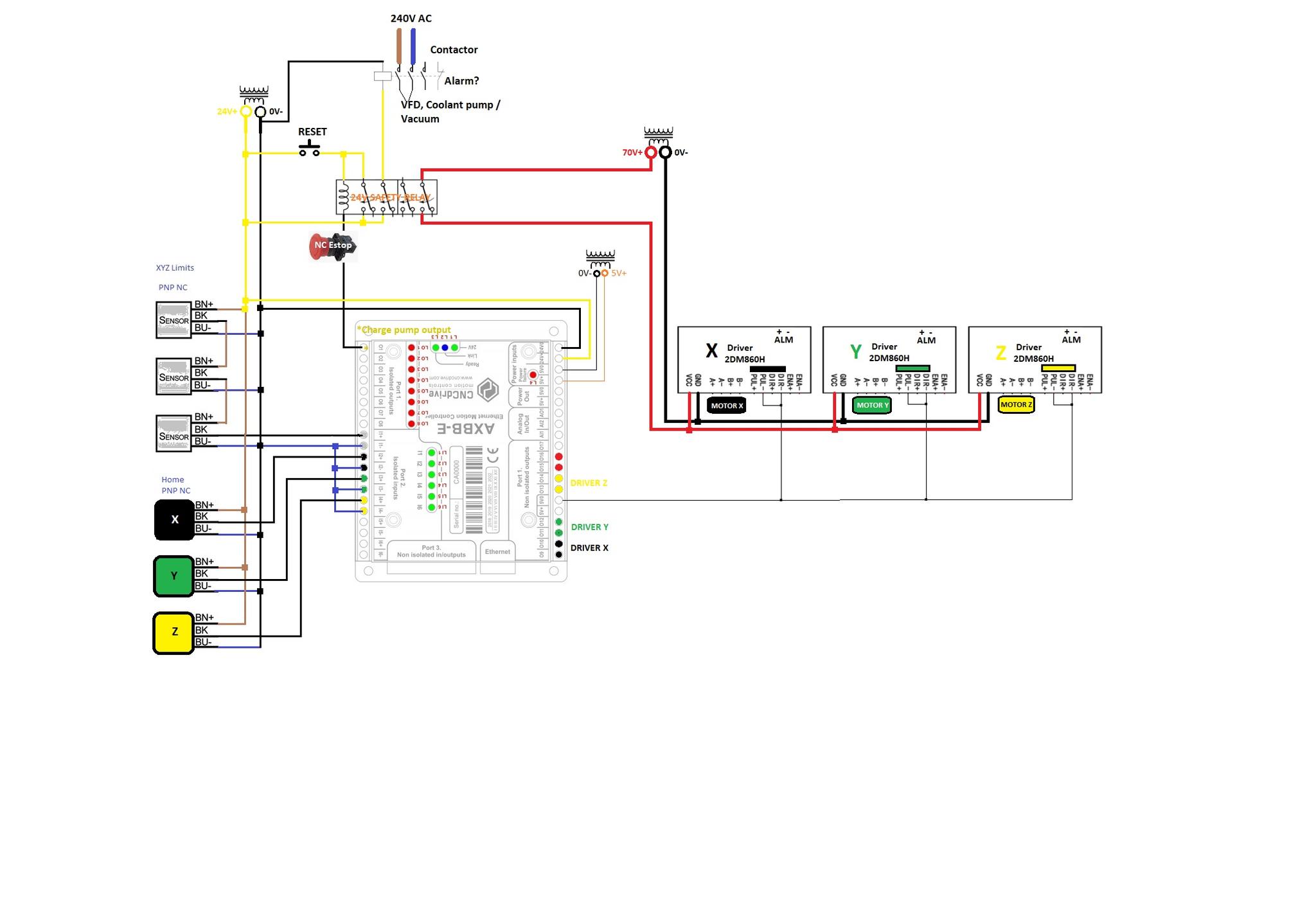
Is anybody willing to take a look at my wiring schematic....more specifically the safety relay and contactor. I'm not sure if I am understanding it correctly! I am planning on using the normally closed contactor as part of the alarm but I'm not sure how to integrate it with the drive alarms, or is that not advisable? This is some confusing stuff :stupid:
I have the charge pump output of the AXBB-E to a NC e-stop switch then into the 0v- relay with a momentary switch latching circuit on the positive side going to 24v. Then one pole powers the contactor to switch the 240v to the VFD, Coolant and Vacuum. Another pole connects the 70v side of the toroidal transformer to power the steppers.
Attachment 25752
Re: Proximity wiring for limit switches
Re: Proximity wiring for limit switches
just had a look at the 2DM860H and the power supply terminals are marked as AC input
(the 2DM860 appears to be a version of the 2DM860H with a DC supply input )
your diagram shows the power supply as a DC supply
check the relay can break the DC supply current
otherwise you may find the DC current either burns the contacts due to the arc jumping across the contacts or welds them closed
( the arc when a switch breaks an AC current will be extinguished as the mains voltage drops to zero 100 times per second )
usually switching the DC supply to a stepper driver it is not recommended your likely to damage the driver(s)
I expect the drivers with an AC supply input will have a smoothing capacitor after the bridge rectifier that's large enough to absorb the back EMF when a DC supply is disconnected
John
Re: Proximity wiring for limit switches
Quote:
Originally Posted by
john swift
just had a look at the 2DM860H and the power supply terminals are marked as AC input
(the 2DM860 appears to be a version of the 2DM860H with a DC supply input )
your diagram shows the power supply as a DC supply
check the relay can break the DC supply current
otherwise you may find the DC current either burns the contacts due to the arc jumping across the contacts or welds them closed
( the arc when a switch breaks an AC current will be extinguished as the mains voltage drops to zero 100 times per second )
usually switching the DC supply to a stepper driver it is not recommended your likely to damage the driver(s)
I expect the drivers with an AC supply input will have a smoothing capacitor after the bridge rectifier that's large enough to absorb the back EMF when a DC supply is disconnected
John
Hmm....so should I use a contactor instead of a relay and if thats the case should I also put it on the 240v a.c. side instead of the 70vdc? Does the safety relay wiring look right from the charge pump output? Oh and one last thing....are the alarm outputs for the drive NC or NO? I had a look in the data sheet but couldn't work it out??
Cheers,
Charlie.
Sent from my SM-G920F using Tapatalk
Re: Proximity wiring for limit switches
Quote:
Originally Posted by
CharlieRam
Hmm....so should I use a contactor instead of a relay and if thats the case should I also put it on the 240v a.c. side instead of the 70vdc? Does the safety relay wiring look right from the charge pump output? Oh and one last thing....are the alarm outputs for the drive NC or NO? I had a look in the data sheet but couldn't work it out??
Cheers,
Charlie.
Sent from my SM-G920F using Tapatalk
Charlie. Re the drive alarm contacts they can be either NO or NC and can be changed in the software of the drive with a rs232 cable plugged into the side socket on the drive. but IIRC I thought there was a speed limit of about 300 rpm for the stall detection. But I don't see this in the manual anymore !!
It is a little confusing the way you have drawn the circuit as you stated
Quote:
Another pole connects the 70v side of the toroidal transformer to power the steppers.
which would be AC but then you mention 70vdc ie DC. As John has indicated it is not good to switch DC with a relay.
Re: Proximity wiring for limit switches
Quote:
Originally Posted by
Clive S
Charlie. Re the drive alarm contacts they can be either NO or NC and can be changed in the software of the drive with a rs232 cable plugged into the side socket on the drive. but IIRC I thought there was a speed limit of about 300 rpm for the stall detection. But I don't see this in the manual anymore !!
It is a little confusing the way you have drawn the circuit as you stated which would be AC but then you mention 70vdc ie DC. As John has indicated it is not good to switch DC with a relay.
That's more down to my diagram skills sorry! The drives take a.c. or d.c. but the Toroidal psu is rectified and is 70vdc so it looks as though it will be better to use the solenoid to power a contactor on the 240v side.
These drives dont have stall detection as far as I'm aware, maybe you're thinking of the Leadshine ones?
Sent from my SM-G920F using Tapatalk
Re: Proximity wiring for limit switches
Quote:
These drives dont have stall detection as far as I'm aware, maybe you're thinking of the Leadshine ones?
Yes my bad :shame: