3 Attachment(s)
Help installing Z axis toolsetter
Hello
I've purchased a Chinese Z axis toolsetter, the problem is that instructions are in Chinese and the diagram doesn't even indicate which cables are what. It has 4 cables brown, green, blue and orange, I want to plug it into the CNC board and set it up on Mach3. Anybody has experience this this kind of Z probes? The vendor doesn't even understand English so it's been pointless to ask them for instructions.
I managed to decipher that one cable (don't know the colour) goes to IN2 and another goes to DCM (also don't know which colour)
Images attached here Attachment 29646Attachment 29647Attachment 29648
Much appreciated if someone can help
Re: Help installing Z axis toolsetter
If you have the instructions in Chinese you can you the translate app on a phone with the camera and that should do it.
Also if you have a multi meter you can sort the wire out into pairs they could be 2 switches inside the top one for the tool setter and a further one lower down to wire into the e-stop chain .
Or it could just you one switch and one pair of wire would be for the electronics.
Can you post a good picture of the instructions
1 Attachment(s)
Re: Help installing Z axis toolsetter
Quote:
Originally Posted by
Clive S
If you have the instructions in Chinese you can you the translate app on a phone with the camera and that should do it.
Also if you have a multi meter you can sort the wire out into pairs they could be 2 switches inside the top one for the tool setter and a further one lower down to wire into the e-stop chain .
Or it could just you one switch and one pair of wire would be for the electronics.
Can you post a good picture of the instructions
This scheme is the same as the one provided by the vendor I tried translating the whole document it on apps or google translate but it's not working . I'm asking a friend of mine who speaks Chinese to translate it for me, but basically it's a short paper that contains this scheme.
Re: Help installing Z axis toolsetter
According to the scheme that you attached, your Brown+Orange wires are for tool setter, Green+Blue should be connected in series with your E-stop switch.
1 Attachment(s)
Re: Help installing Z axis toolsetter
Quote:
Originally Posted by
ZASto
According to the scheme that you attached, your Brown+Orange wires are for tool setter, Green+Blue should be connected in series with your E-stop switch.
Attachment 29673
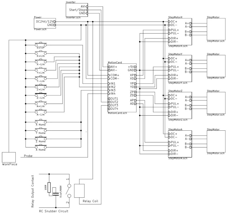
I found the scheme for the control board, so based on this in which pins should I plug the cables?
1 Attachment(s)
Re: Help installing Z axis toolsetter
Re: Help installing Z axis toolsetter
I have that exact tool setter. I have the orange and brown wires connected to ground and probe, and the blue and green connected to estop and earth
Re: Help installing Z axis toolsetter
Estop switch from the tool setter should be connected in SERIES with Estop switch in your system.