1 Attachment(s)
speed control of single actuator in a 2 actuator system
Hi all
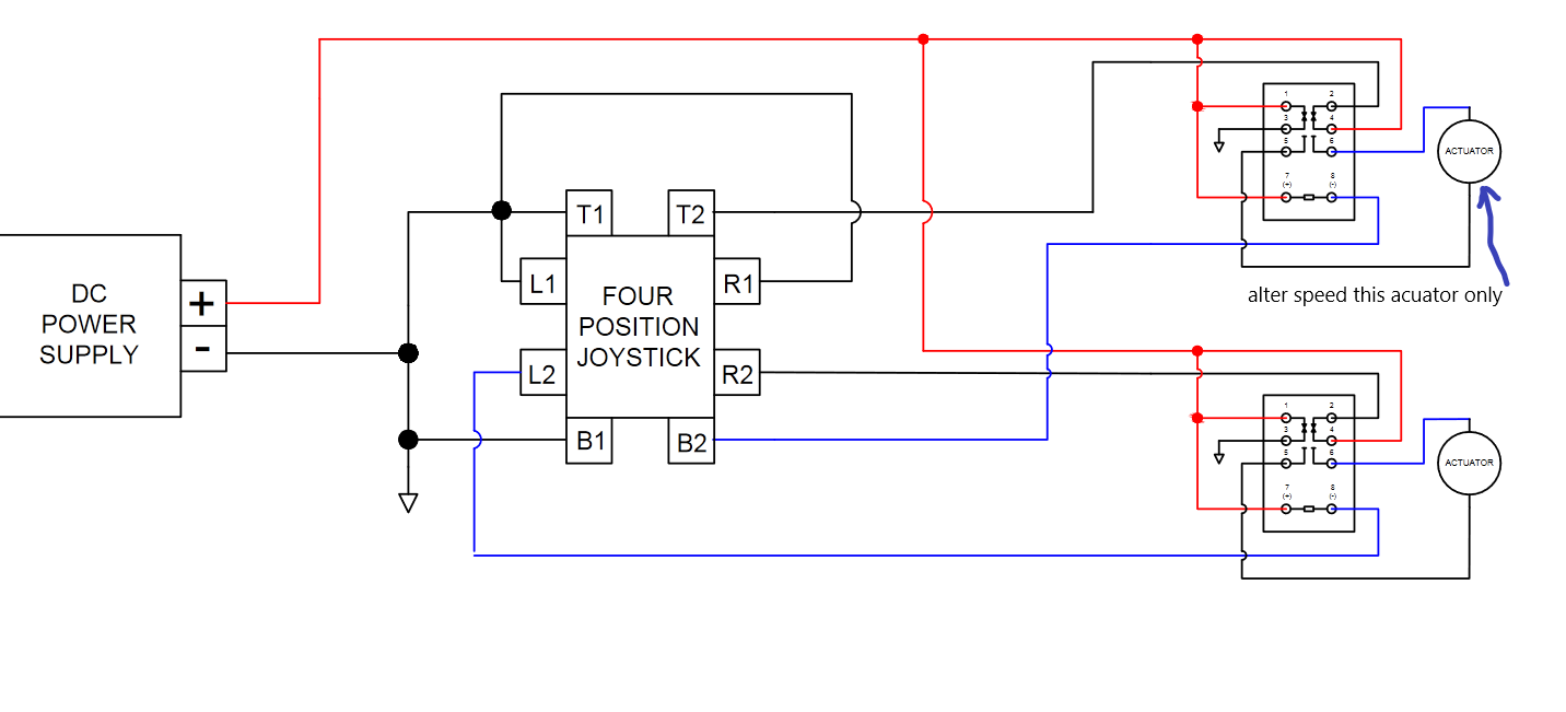
I have 2 12v dc actuators connected to a 4 position joystick.
i need to be able to control the speed of one actuator only. the other will run at full speed.Can you draw and or explain how i need to wire a 12v dc speed controller into this circuit. if i put in the motor out contacts it doesnt work because the power polarities change when the joystick is in a reverse position. Maybe have to run 2 complete circuits but how do i wire the joystick controller. thanks for any answers
RichardAttachment 31552
Re: speed control of single actuator in a 2 actuator system
ah, ignore this post.... I got it wrong
If the speed control is positive side speed controlled (motor ground goes to ground) then insert the speed control output to drive pins 1&4 of the upper relay.
Re: speed control of single actuator in a 2 actuator system
so your comment between 1&4 is wrong?
1 Attachment(s)
Re: speed control of single actuator in a 2 actuator system
this is the speed controller i got Attachment 31553
Re: speed control of single actuator in a 2 actuator system
Quote:
Originally Posted by
rjsutton
so your comment between 1&4 is wrong?
Apologies - I can't believe what rubbish I wrote. The intent was to remove a previous reply (hence the "ignore this post"), with a possible follow-on solution. But that was as clear as mud, I read that now.
In any case, having looked at all similar images of similar PWM controllers, in each case the Bat-/Mot- and Bat+/Mot+ pins are non-common. Question: Are you comfortable that the joystick can handle the start-up current of the motor? As you've drawn the schematic you're depending upon that behaviour. If so, there might be options, but may include a couple of diodes (and if not, an additional relay). The main thought process I have is to provide the PWM output via the change-over relay potentially with a third relay to isolate the motor if neither direction is demanded. If you're prepared for a third relay I can sketch something.
Re: speed control of single actuator in a 2 actuator system
Hi yes the joystick seems to handle the current at start no problems
the schematic is just a downloaded one which i used to get the machine working.
i can add relay etc as required. thanks for the help
R
Re: speed control of single actuator in a 2 actuator system
Hi Doddy
if you can sketch circuit would be appreciated
thanks