hi,
im looking for a precision engineer / cnc'er for a projects im working on and on going stuff i need doing.
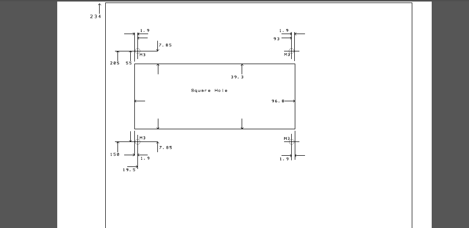
ive developed a few things that fit into plastic inclosures so need holes cut out of the llids 3mm thick first thing i need doing see pic, is 2 off then batches of 10 off.
please do contact me if anybody is interested and we can talk further, be great if someone is close to andover / basingstoke.
thank you
Attachment 7486
