4 Attachment(s)
Parts for hand ergometer (exercise bike)
Following on from the project thread and some redesign I now need some parts made. Happy to pay reasonable rate for work and materials (given situation it would be easier if you can source them), not looking for charity (but not going to turn it down either :biggrin: ).
The first drawings are for handles & crank assembly, others to follow. Ideally I'd like to get these done within next month. PM me if you can help.
Attachment 9387Attachment 9392
Re: Parts for hand ergometer (exercise bike)
That boss looks a tad short to my eyes for hanging an aluminium tube?
Cant help you on the alli parts but if you can use anything in acetal let me know.
Re: Parts for hand ergometer (exercise bike)
you may be right.. even if loctited in place? No problem to make it longer though.
And thanks for the offer.... i'm sure there are parts that could be done in acetal... eg gears, if the 3D printed ones aren't up to the job..
Re: Parts for hand ergometer (exercise bike)
Quote:
Originally Posted by
irving2008
eg gears, if the 3D printed ones aren't up to the job..
:culpability: Ill need plenty of notice as they will be all science to me, Iv only ever cut T2.5 timing belt pulleys thus far.
Re: Parts for hand ergometer (exercise bike)
hi,
just noticed this thread, what material and quantities and timescale are you looking at?
might be able to make some of the bits in the evenings after work if that helps you out
Re: Parts for hand ergometer (exercise bike)
Quote:
Originally Posted by
chopper12
hi,
just noticed this thread, what material and quantities and timescale are you looking at?
might be able to make some of the bits in the evenings after work if that helps you out
For all the drawings posted, unless stated, the material is aluminium, some machineable grade such as 6061 but depends on what can be picked up on eBay/etc. As to quantity, 2 off each drawing (i.e 2 cranks, and 2 handle assemblies comprising 5 parts, handle/boss/axle/2xspacer). Timescale, well I need to get exercising, so ideally as soon as possible, maybe within 4 weeks?
Re: Parts for hand ergometer (exercise bike)
ok not a problem should be less then 3 weeks, got some 6082 bar ends at work that can use if 6082 is ok?
will need some extra dimensions on the boss as cannot open the .dxf files
hope this helps
Re: Parts for hand ergometer (exercise bike)
Just seen this I can help if needed. . . . . just let me know. Got some stuff here if needed
PS: Can do them Wed if that helps.!
Re: Parts for hand ergometer (exercise bike)
@chopper. Thanks for offer, tho if JazzCNC can do it sooner I might take him up on it. While adding additional dimensions I realised I'd made a slight boo boo in the design which needs correcting. I'm updating drawings and will post updates and some new drawings for other parts tomorrow.
@JazzCNC thanks, sooner is better. As I said above there's a few other parts drawings to come.
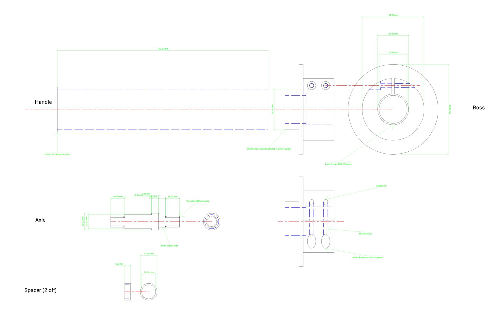
With regard to current drawing for handle, is depth of boss (10mm) into tube enough or should I increase to 20mm?
The axial slot on the larger side of the boss is to allow the cross screws to clamp the outer shells of two 10x22x6 bearings. I copied this from an existing assembly which I couldn't dismantle. Will this work or does it need a slot radially where the clamp section meets the 64mm dia, 3mm thick hand guard section to allow the clamp to, well, clamp?
Re: Parts for hand ergometer (exercise bike)
Quote:
Originally Posted by
irving2008
With regard to current drawing for handle, is depth of boss (10mm) into tube enough or should I increase to 20mm?
Yes more the merrier I think considering the handle is 150mm long thats not much holding it.
Quote:
Originally Posted by
irving2008
The axial slot on the larger side of the boss is to allow the cross screws to clamp the outer shells of two 10x22x6 bearings. I copied this from an existing assembly which I couldn't dismantle. Will this work or does it need a slot radially where the clamp section meets the 64mm dia, 3mm thick hand guard section to allow the clamp to, well, clamp?
Know what you mean and yes it would clamp better if this was slotted.
I'll PM you Email address.