Eding CPU5A4E controller and Siemens G110 VFD.
Some help would be most appreciated.
I have an Eding CPU5A4E controller and Siemens G110 VFD.
Specific factory settings for the analogue version
Digital input Terminals Parameter Function Active
Command source 3, 4, 5 Digital input
Set point source 9 Analogue input
Digital input 0 3 ON / OFF1 (I/O)
Digital input 1 4 Reverse
Digital input 2 5
I think I connect pin 17 on the CPU5A4E to ADC1 on the G110
Pin 25 on the CPU5A4E to connection 10 (0v) on the G110
Pin 20-21 (+5v) and Pin 1 on the CPU5A4E to connection 3 (Din0) and 6 (+24v) on the G110
I was going to use a solid state relay just in case I mess up and send 24volts to the cpu (not good).
Anyone know if what I am proposing is correct?
S: SHIELD
25: GND
24: GND
23: GND
22: GND
21: +5V (Solder jumper)
20: +5V (Solder jumper)
19: SPINDEL-PULSE
18: PROBE
17: PWM or 0..10V (JUMPER)
16: OUT WATCHDOG
15: IN HOME4
14: OUT FLOOD |
13: IN HOME1
12: IN HOME2
11: IN ESTOP
10: IN HOME3
9: OUT STEP4
8: OUT DIR4
7: OUT STEP3
6: OUT DIR3
5: OUT STEP2
4: OUT DIR2
3: OUT STEP1
2: OUT DIR1
1: OUT TOOL |
Pin out on the CPU5A4E.
Many thanks
1 Attachment(s)
Re: Eding CPU5A4E controller and Siemens G110 VFD.
First thing is you don't want to connect any voltage on the CPU to voltage on the vfd. Also I don't have any info on the CPU5A4E.
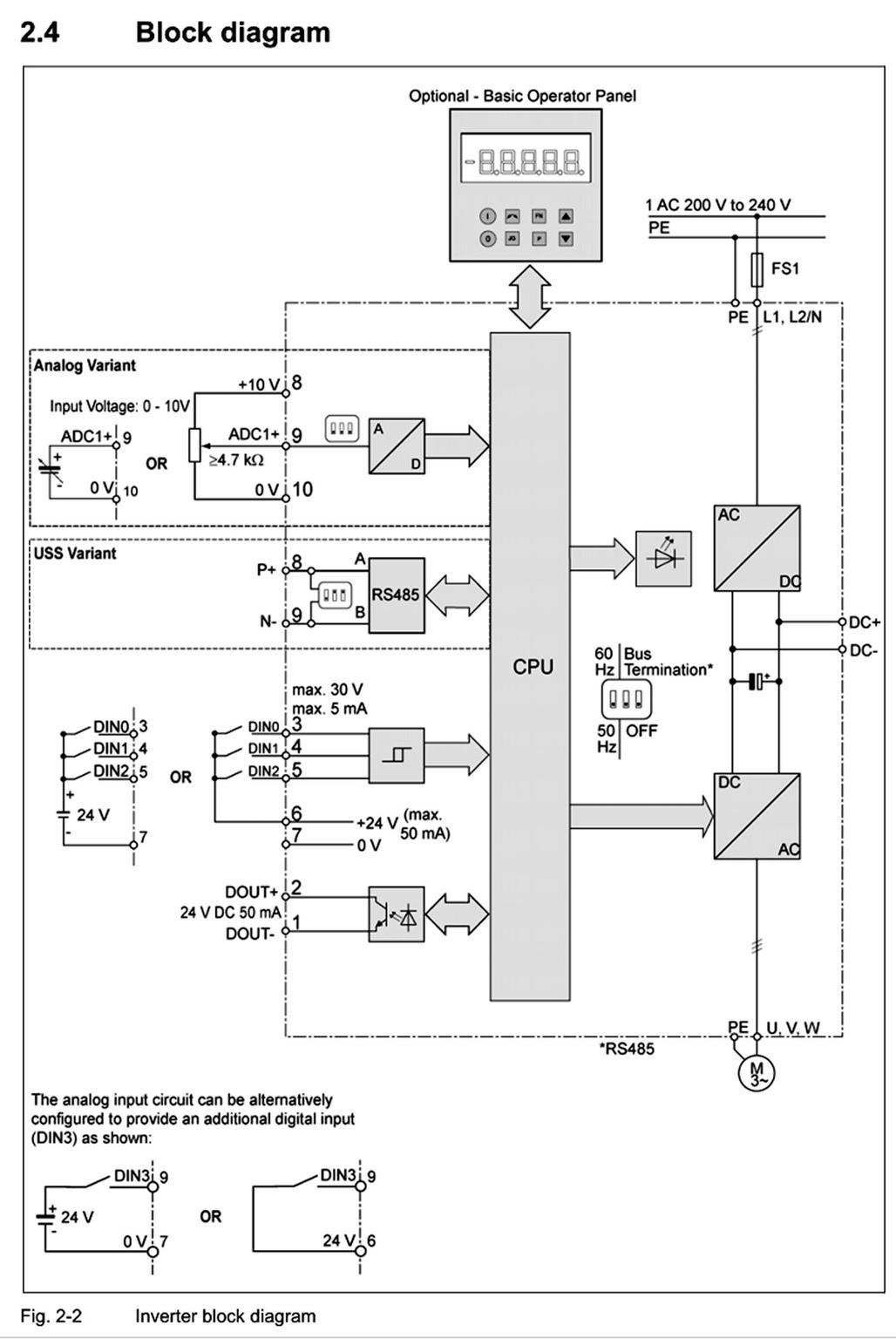
If you selected pin17 on the CPU to be 0-10v using the jumper, then as you say connect that to vfd pin 9 (ADC1+)
Connect CPU pin 25 to vfd pin 10 (0V). The only thing to watch here is, have you used the correct GND terminal on the CPU. Sometimes a particular 0V is associated with the 0-10v, output so just check that.
This is the tricky part now. Normally the inputs to vfd terminals 3,4,5 are supplied by external relays, but I can't see another terminal associated with OUT TOOL terminal 1 of the CPU to act as a pair of relay contacts.
Without further info about the CPU5A4E I can't advise anything more.
Here's a picture of the vfd connections.
Attachment 14586
Re: Eding CPU5A4E controller and Siemens G110 VFD.
You can connect the cpu directly to the vfd. If you go onto Berts Eding cnc website and look at the cpu5a flyer, the link is at the bottom of the page, it shows the possible connections.
If you are really stuck then email Bert and he will help you out.
Re: Eding CPU5A4E controller and Siemens G110 VFD.
Now I see why you mentioned the solid state relay. Personally I would not be connecting the TOOL output directly to the vfd, I would attach a relay between TOOL and GND on the CPU (looks like you would need an external 24V supply), then I would connect the Normally Open contacts of that relay between vfd terminals 6 and 3 (then the vfd would have to be configured by it's firmware so that the input meant RUN FORWARD.
The main reason for using a relay, and it's the same with PLC outputs, is that it's easier and cheaper to change a knackered relay than it is to replace a knackered controller or PLC, etc. Volt Free contacts as they are called is the way to go for me. For similar reasons I would not be using the 24V supply from the vfd to drive a relay, it only supplies 50mA max.
1 Attachment(s)
Re: Eding CPU5A4E controller and Siemens G110 VFD.
Hi all,
Sorry for the late reply, been working.
I have attached the layout that I think I may go with.
The external 24v supply seems like a good idea.
I have already added a 5v supply for the cpu5 board.
Thanks for the help.