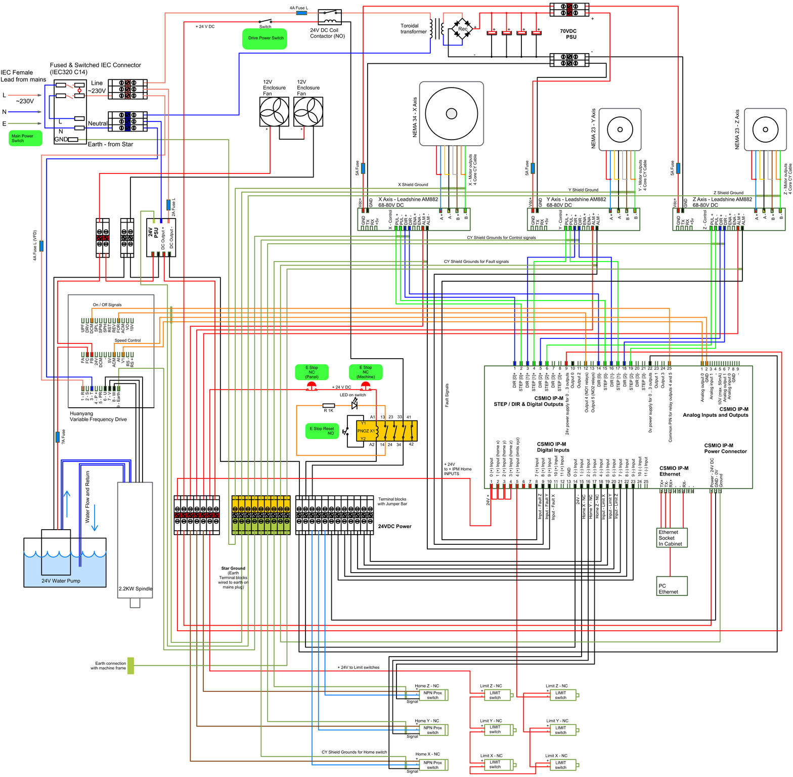
Joe... That diagram is a beauty!
Don't know if everything is right but it shure is pretty :D
Printable View
Joe... That diagram is a beauty!
Don't know if everything is right but it shure is pretty :D
Looking good Joe
I removed my 12v supply and simplified everything to run off the 24V supply. Just need to pair up 12V devices in groups of 2 in series . E.g. 2 fans or fan and motor
Less things to go wrong and less space required in the box
Also I'd add a switch to the water cooled spindle pump - looks like it will run all the time which will be annoying plus may heat the water a little
I have a 12v supply on order but it was only cheap. Clive has also suggested running all from 24v. I already have two 12v fans but could get one more and run in series with the 12v pump I guess. I was going to use a mcb instead of a fuse for the pump so I can switch it off with that?
No he's running it thru the VFD relay so will only run when the Spindle is ON.
Joe: Is this different scheme to the ones you've been sending me because don't remember seeing 12V in there.? Thou must admit was only looking at the parts you asked me about.
Anyway dump the 12V and wire the Fans in series and buy 24V pump.
I would not run a 12V fan and 12V pump in series as they would be different VA's therefor they would not give a 50:50Quote:
I already have two 12v fans but could get one more and run in series with the 12v pump I guess. I was going to use a mcb instead of a fuse for the pump so I can switch it off with that?
V divider
It's a new addition because I have a 12v pump but not a big deal - a 24v pump will be cheap enough in the scheme of things! You are right about the VFD switching the pump on so guess being able to switch manually on the mcb will not be all that useful.
How about this one: https://www.ebay.co.uk/itm/172219861161
Ah, ok thought was unusual for me to miss something obvious like that.!
Yep, that pump will be fine.
Regards the MCB then don't really need MCB but the suitable fuse is required to be safe but only in case of short it's not something you'll use has a switch.
The VFD Relay will handle this for you and because you'll only ever run the pump when the spindle is spinning you'll have no need to manual overide.
The 12V supply has gone!
Attachment 21423
https://uploads.tapatalk-cdn.com/201...5b35216760.jpg my collection of electrical bits so far...
Looking good Joe
Does this help your pm question ?Attachment 21464
P.s always intended to put hot melt glue over these
Thanks, they look like beasty cables! I like the idea of using hot glue as insulation.
The psu is coming together: tx, caps and rectifier all mounted to some ali plate. Getting 50V out of the rectifier. Not connected the capacitors yet.https://uploads.tapatalk-cdn.com/201...79b482a2f0.jpghttps://uploads.tapatalk-cdn.com/201...d39707898b.jpg
Joe be careful after connecting the Caps because they will be charged and will give nasty surprise if you short the wires.
Edit: To answer your Alarm wire question from below then no I don't.
Progress on the psu... https://uploads.tapatalk-cdn.com/201...2a1af2eaae.jpg
I think I've finished the power supply... haven't switched on yet as I want to look it over again with fresh eyes and make sure I haven't done anything dumb! Here she is: https://uploads.tapatalk-cdn.com/201...e21d05f248.jpghttps://uploads.tapatalk-cdn.com/201...5c4d21aacc.jpghttps://uploads.tapatalk-cdn.com/201...8feb539500.jpg
Power in top right via the D curve mcb which will be din mounted and dc out from the lower terminal block. I have wired a 10k resistor between the dc terminals to drain the caps once powered. Any comments before I turn it on?!
Only comment (if you have a chance to make any small mods at this stage) is to add a few more sets of terminal contacts for the output, all wired in parallel. This allows you to run separate power feeds to each stepper driver, rather wiring them daisy-chain fashion, and it's easier than trying to stick three big wires in the same terminal. Not sure if it really make a difference in our class of machine but it is generally considered good practice not to share high-power connections between devices, and it's a lot easier if you have multiple terminals available. Might be able to put multiple spade terminals on each of your contacts, though?
Thanks Neale, The terminals are overkill in terms of size and will take two cables each but as I've shown on the circuit diagram the plan is to take one feed from the terminals on the power supply to some din terminal blocks with a jumper bar to provide as many as I need...
Sounds fine. My PSU was originally bought from Zapp, although I have now changed the transformer in it, but it came with three pairs of output terminals already. Then I fitted it in a control box with four stepper drivers...
Must confess that I didn't actually put a wiring diagram together for mine, just some sketches to work out roughly what was needed. Then I set to work with a pile of cable reels, big box of ferrules and crimping tool, and quite a lot of black coffee. Don't try this one at home :whistle: Still, it does seem to work OK.
Ha yes I would definitely fail with that approach so well done!
Well I've plugged it in and...https://uploads.tapatalk-cdn.com/201...bd213f9766.jpg
It works! Hooray, my first functioning bit of electronics for this machine!
It's great when a plan comes together! Well done. All downhill from here...
Moving along nicely, very professional work!
Looking good!
It is hard to see from the pictures, but please check soldering of the capacitors.
Sent from my LG-H850 using Tapatalk
In the interests of completeness of my build log and in the hope that it may help demystify building your own power supply here are a couple of videos of my power supply build. Although it is obvious to me, I will point this out for any with less common sense - working with electricity, particularly mains can be very dangerous. If you want to build your own psu then you can take it from me, a totally amateur, that it is perfectly doable if you ask the right people the right questions. Please post your design and invite comment before embarking on a project like this. You need to consider what the right transformer, rectifier, capacitors and fuse will be before starting and do your research, because connecting it all up wrong will be disastrous. Thanks to Dean, Clive and Barry in particular (as always) for the tips and guidance. Ps any comments on my very basic explanation in the second video (about 12mins in) will be gratefully received although I except from the outset that it is basic!!
https://youtu.be/4OoQQg76ar4
https://youtu.be/WISDqx-e23M
Sent from my iPhone using Tapatalk
Hi Joe,
First off, thanks for the fantastic build thread and video logs - keep them coming please! I've been getting more seriously into the initial design phases, had made some starting choices, then came across your build. Looks to me like you've encompassed the majority of the good advice out there, and then some more! I suspect when I get to a final design, it won't look too dissimilar to your own :)
Secondly, enjoyed watching your video this morning over breakfast - very well explained. Hadn't ever considered that the voltmeter was measuring RMS so UK mains peak-to-peak is sqrt(2)*240V. Only comment is that sometimes the audio balance in your videos is off - loud music, quiet talking! May just be me!
https://uploads.tapatalk-cdn.com/201...6d4fe67e9d.jpg
Hi everyone, I've managed to get a working mockup of the e-stop circuit together... another little video:
https://youtu.be/OUgjcH8JGMs
As always any comments gratefully received!
Can anyone explain what this is?? https://uploads.tapatalk-cdn.com/201...dd6ff766bc.jpghttps://uploads.tapatalk-cdn.com/201...cb1f8c5525.jpg
That is an interface converter that transforms a 0-10V analog signal to 0-20mA
This is it http://uk.rs-online.com/web/p/signal...oning/4184859/
I think they are used in industry to remote measure sensors etc over a two wire system like this;-
https://www.acromag.com/sites/defaul..._Loop_904A.pdf
http://www.murata-ps.com/data/meters/dms-an20.pdf