Hi All,
After some more reading and some hard thinking, here is the Mk2 machine (progress so far):
Attachment 6608
Went back to the drawing board completly, re-assessed the space and scaled the machine to what I think I can get away with, rather than basing the machine on the A3ish size previously.
Ive used 5mm Wall Steel RHS as that should be good for the tapped threads to hold down the rails.
Bottom Cross members: 120x60x870
X Rail Supports: 120x80x900 with 900mm SBR25 Supported Rails
Ballscrew Supports: 80x40x220
RM1605 Ballscrews on all Axissss.
Gantry "Feet": 80x40x200 5mm Wall Steel RHS with 2 x SBR25 Bearing Blocks
Gantry Cross Member: 80x80x870 with 2 x 700mm SBR25 Supported Rails, top and bottom.
Y Axis Ballscrew Supports: 10mm Thick Steel plate
Z Axis Plates: 12mm Thick Steel plate
Z Axis Rails: SBR25 Support rails 300mm long
That makes travel roughly X=780, Y=480, Z=100
Y & Z are driven by 2:1 Belt drives, for the X Axis, I am considering a single belt, 3 pulleys and 2 idler bearings also at 2:1 reduction
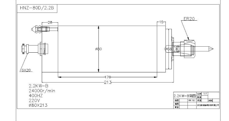
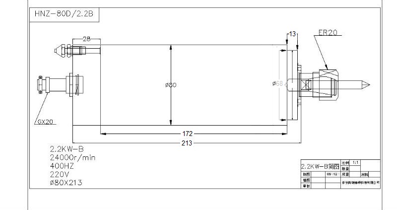
That's a 2.2kW watercooled spindle on the Z, though I'm also looking at the Treadmill motor option for low rpms. Just waiting for a suitable treadmill motor to appear on eBay!
Problem with this machine is I'll have to "borrow" a mates workshop to build the frame and pay someone to make some of the other components as they go beyond my skills and equipment, ho hum, not the original plan, but I'd like to build just 1 machine and have it last me.
As you can (probably) see in the image, the Spindle comes outside the X Axis, I have left this as it gives me good travel over the steel box which I plan to use for a base for machining metals.
Most likely welded construction, though bolts still hold some appeal for maintaining a "I built it myself" perspective...
... Just noticed I will have to bolt on the Y axis leadscrew/motor mounts, otherwise I can't get the leadscrew in!