Originally Posted by
EddyCurrent
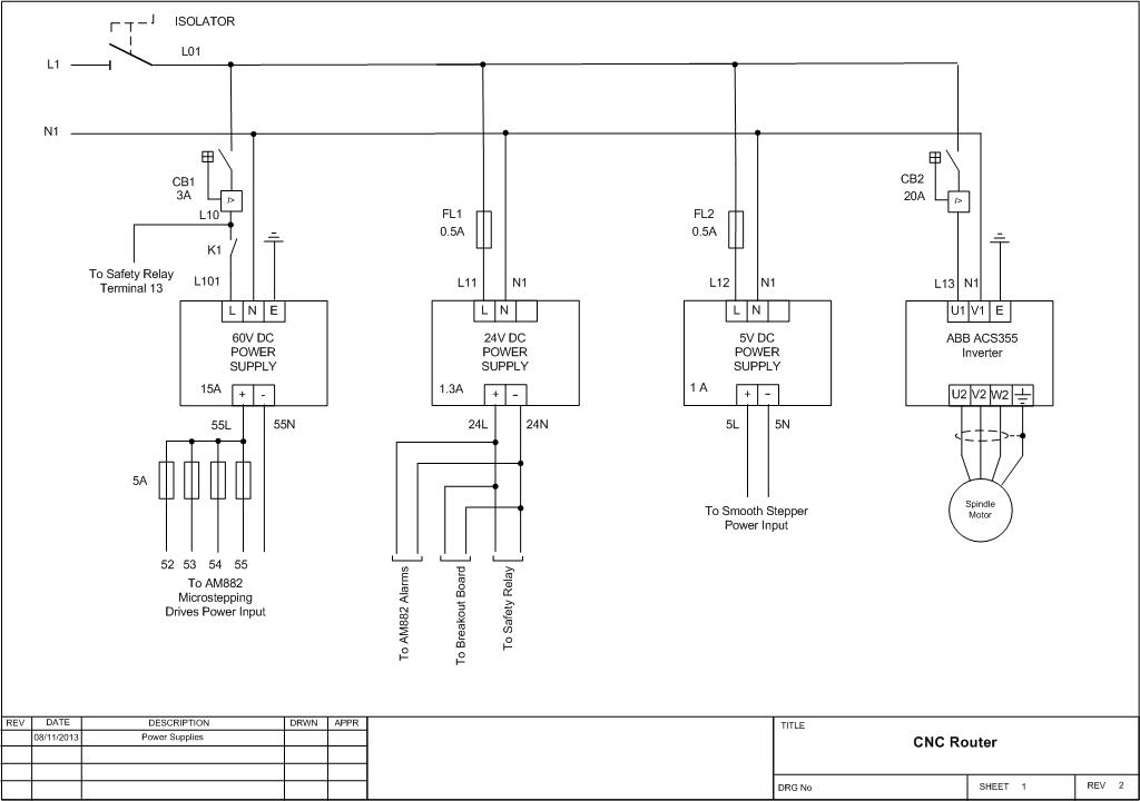
In my panel all the low level signal wires go in the right hand vertical trunking while the stepper motor and power wiring are in the left hand vertical trunking. The stepper motor wiring and spindle motor wiring are in screened CY cable, all screens earthed at the terminal rail and nowhere else.
If anyone is concerned, it might be worth their while to look up IP2X for electrical panels, one way is to put a full perspex sheet over the whole guts secured by screws at the corners.