- 
	
	
	
		
AC servo motor help !
	
	
		Hi all,
I just bought a new AC servo motor + drive to make a 4th axis on my mill.
Everything looks good and solid, the problem is: It requires 3 phase supply !
I knew the motor was 3 phase but I assumed that the Drive had a 3 phase inverter built in !!!
(The manual says 3 phase 220V supply IN)
So, my questions now are: 
1- Is it possible to run this kind of drives of a digital inverter (like a CUB...) ?
2- This servo drives have a Main supply (3 phase) and a control supply (single phase) and on the wiring diagram
     it shows the single phase supply taken from the 3 phase supply (Between 2 phases)
     Now, I don't think it is a good idea to use only 2 of the phases from an inverter...
     So, is this the same as Phase / Neutral supply ?
3- In the manual there is a section saying:
    "In peculiar circumstance, the small servomotor, which is less than 750W, can use single phase (L1 and L2 
     terminals connect to single phase supply. leave L3 terminal alone"
     Why would it works single phase if the motor was smaller? What would happen if a 750W motor was used 
     with single phase supply?
Ta,
Laurent
	 
 - 
	
	
	
		
Re: AC servo motor help !
	
	
 - 
	
	
	
		
Re: AC servo motor help !
	
	
		Thank you for the explanation m_c. All make sens now... Unfortunately this means I can't use this Servo + drive system at all.  :upset:
Great.... Just wasted 400 quids.....................
	 
 - 
	
	
	
		
Re: AC servo motor help !
	
	
		Why is the money wasted? Surely you can still use a 220v single to three phase inverter to power the drive. G.
	 
 - 
	
	
	
		
Re: AC servo motor help !
	
	
		
	Quote:
	
		
		
			
				Originally Posted by 
GEOFFREY
				
			 
			Why is the money wasted? Surely you can still use a 220v single to three phase inverter to power the drive. G.
			
		
	 
 Well, according to m_c (see above) who seems to know what he is talking about, you can't... It has to be proper 3 phase...
	 
 - 
	
	
	
		
Re: AC servo motor help !
	
	
		I know that m_c knows exactly what he is talking about, but I think he was referring to using only the L1&L2 connections on the drive.  With the inverter I think you can run it as 3 phase using L1,L2&L3. G.
	 
 - 
	
	
	
		
Re: AC servo motor help !
	
	
		What is the power of the servo motor/driver?
And who is the manufacture /model number?
If you got it from a company, you can return it if it is not fit for purpose.
	 
 - 
	
	
	
		
Re: AC servo motor help !
	
	
 - 
	
	
	
		
Re: AC servo motor help !
	
	
		
	Quote:
	
		
		
			
				Originally Posted by 
m_c
				
			 
			You can't run a servo drive from an inverter, as the servo drive load is not constant, which at best would lead to something faulting out/just not working, and at worse blowing something up.
What you could do if you really wanted to use this servo, is build a rotary converter to produce the required 230V 3 phase, and get the phases as balanced as possible. All that's needed is a suitable 3 phase motor, some capacitors, and a couple switches (plus a relay and contactor if you want automatic starting).
			
		
	 
 Hi m_c,
Your first reply gave me an idea last night...
I opened up the enclosure of the drive and as you said, the AC from the 3 phases goes to 2 bridge rectifiers and a series of big caps.
So, using L and N single phase would use only 1 rectifier (and therefore geting it over worked...
Now, there is nothing in there requiering a phase shift between the 3 phases coming in....all the bridge rectifiers care about is 240V AC...
So, I decided to connect  Neutral, Live, Live where the 3 phase were supose to go (L1, L2, L3)... This way the load is spread over the 2 briges as per 3 phase setup.
Tryed that this morning... All good! Motor happy, drive happy... (all stays cool )
These servo motor are really quiete!  even at 3000 RPM !  amazing!
Laurent
	 
 - 
	
	
	
		
Re: AC servo motor help !
	
	
		For peace of mind you could increase the size of the capacitors to compensate for single instead of 3 phase.
	 
 - 
	
	
	
		
Re: AC servo motor help !
	
	
		
	Quote:
	
		
		
			
				Originally Posted by 
Jonathan
				
			 
			For peace of mind you could increase the size of the capacitors to compensate for single instead of 3 phase.
			
		
	 
 Funny that you mention this...  :-)   On the PCB there is a foot print for 5 caps but only 4 fitted!  Could add an exta one I suppose...
	 
 - 
	
	
	
		
Re: AC servo motor help !
	
	
		If in doubt as a last resort read the manual provided or if not supplied down load it from the internet or look on the internet to find out how other people have solved the same problem for that particular motor.
	 
 - 
	
	
	
		
Re: AC servo motor help !
	
	
		Assuming those caps and the "spare" are all in parallel adding another will increase the capacitance, so should do no harm. G.
	 
 - 
	
	
	
		
Re: AC servo motor help !
	
	
 - 
	
	
	
		
Re: AC servo motor help !
	
	
		
	Quote:
	
		
		
			
				Originally Posted by 
m_c
				
			 
			If you do add another capacitor, make sure it's a similar spec to the ones already fitted, and that it's capable of a pretty large ripple current i.e. don't go for the cheapest one you can find, as if it can't handle the ripple current it'll overheat and go pop pretty quickly.
			
		
	 
 Yes... I thought so... There must be a reason why this particular model of cap cost over £30 where you can find some of same value for less than £5.00 !  :-)
All caps are in parallel... 
But, anyway I am pretty sure wiring the way I did (N, L, L) gives exactly the same work load to the caps and rectifiers as using 3 phase.
	 
 - 
	
	
	
		
Re: AC servo motor help !
	
	
 - 
	
	
	
		
Re: AC servo motor help !
	
	
		Hello to all!
I have a similar problem.. but with one advantage i have 3 phase 400V (not 3phase 230V servo needs)..
 
In europe the mains power supply is 230V 1 phase / 400V 3 phase 50hz.
I got a 3 phase servomotor + 3 phase servodriver 1.8kw 220V and i have to my house 1 phase 230V and 3 phase 400V what can i do to connect this servo ?
3 phase transformer from 400V to 230V would be ok ?
Can i run it from 1 phase 230V without transformers ?
The driver inside has 3 big 420V 270uf rubycon MXG(PET) capacitors ..
To use single phase supply without transformers If i add 3 same caps in parallel and connect phase to L1 terminal of driver neutral to L2 terminal and phase again to L3 will be ok ?
Can you help me ?
thank you.
	 
 - 
	
	
	
		
Re: AC servo motor help !
	
	
		
	Quote:
	
		
		
			
				Originally Posted by 
vre
				
			 
			3 phase transformer from 400V to 230V would be ok ?
			
		
	 
 Yes, but probably a bit expensive?
	Quote:
	
		
		
			
				Originally Posted by 
vre
				
			 
			Can i run it from 1 phase 230V without transformers ?
The driver inside has 3 big 420V 270uf rubycon MXG(PET) capacitors ..
			
		
	 
 To operate with single phase continuously at the rated power you would need three times the capacitance - so an extra 1620uF. Keep the wires from the new capacitors to the existing ones short. Also check the current rating of the rectifier.
Bear in mind that if you're not using the servo drive near it's rated power, you may well be fine leaving it as it is. Have you tried contacting the manufacturer about operating on single phase? They might have already included enough capacitance to work with single phase.
	 
 - 
	
	
	
		
Re: AC servo motor help !
	
	
		Thanks for your reply!
I don't know the manufacturer the drivers are chinese copy Special AC servo motor 110ST-M06030 6N. M 1.8KW+ drive Kit line - iBuyLa_Tmall_Taobao Angent - Online Shopping at iBuyLa.com in Singapore  .
I have oscilloscope so i can see the curve of voltage after rectification so i can find if smoothing is ok or not .
The enclosure of driver does not have space for extra caps so if i add more i will put them outside the drive.
The pcb has 2 rectifiers (4 legs each one) much be change them with bigger rectifiers ?
	 
 - 
	
	
	
		
Re: AC servo motor help !
	
	
		Some more questions..
How to connect the single phase to L1/L2/L3 of driver ? phase -> L1 , neutral -> L2 , phase -> L3 OR neutral -> L1 , phase -> L2 , phase -> L3 OR it doesn't matter ?
 If 1 or 2 of rectifiers fails what other failure can be happen in the drive ?
Must change the rectifiers with bigger current rectifiers ? how much bigger ?
(I have an oscilloscope so i can see if voltage is smooth when i add extra caps)
My driver specs (from here http://item.taobao.com/item.htm?id=1...catid=50006522 ):
AASD 30A servo motor parameters
Rated current :0 - 10A
Rated Power :0 - 3KW
Rated line voltage: 220V
Peak Current: 30A
Rated speed :0 - 3000
	 
 - 
	
	
	
		
Re: AC servo motor help !
	
	
		I am at the point of buying the same servos. At the manual it states it works both on one phase and 3 phase, but nothing more.  By the way if you don't have the manual i can mail it to you. 
I will follow how this develops, hopefully it will work.
	 
 - 
	
	
	
		
Re: AC servo motor help !
	
	
		please send me (check your pm)
thank you.
	 
 - 
	
	
		
3 Attachment(s)
	
	
		Re: AC servo motor help !
	
	
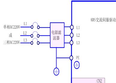
		Hi just send you the message with the manual. I believe there is should be enough capacitance and the drive to be prepared for the single phaze.
Look at the snip from the manual below and from another similar Chinese drive:
Attachment 11086Attachment 11087Attachment 11088
It seems the connection should be between L1 and L3/ judging from 3rd picture where they are  named R and T/- i mean the phase  and the middle one to be 0. 
But dont trust me on this, just open it and see whats there and think
	 
 - 
	
	
		
10 Attachment(s)
	
	
		Re: AC servo motor help !
	
	
		Thank you!
Ιam searching 2 days and i haven't found it!
Where you found it ? respect!!!!!!!!!!!!
I have also read (in chinese with translator) that these drivers is imitated (good imitation) but which is the original to download manual in
English from original manufacturer ?
Some photos of this drive:
(You can see the big smoothing caps, the 2 rectifiers which are down from caps also you can see that pcb supports
CN1 connector but missing this connector and some smd components near it.
I believe that is rs232/485 connector. Has someone schematic to add the extra components ? )
Attachment 11092Attachment 11093Attachment 11094Attachment 11095Attachment 11096Attachment 11097Attachment 11098Attachment 11099Attachment 11100Attachment 11101
	 
 - 
	
	
	
		
Re: AC servo motor help !
	
	
		Hi,
Fred from BST automation / Aliexpress/ send it to  me as i am at the point of buying from him the major mechanical and electrical components.
I am not sure but it seems from the 1st photo that L1 and L3 as i suggested are where the phase will go, judging from the fuses. But when in doubt i go to a local electronic repair shop and for 1 min the guy solves my doubts with advice, so that will be the wise choice  to do.
I believe they should be Mitsubishi most possibly. But- bear in mind that every copy is a thing on its own, just use the manual i send you.  yeah, i know, the crappy Chinese English translation.
	 
 - 
	
	
	
		
Re: AC servo motor help !
	
	
		Thank you i will check it.
Look and other sellers BST automation is not the cheaper...
	 
 - 
	
	
	
		
Re: AC servo motor help !
	
	
		
	Quote:
	
		
		
			
				Originally Posted by 
vre
				
			 
			Thank you i will check it.
Look and other sellers BST automation is not the cheaper...
			
		
	 
 You are wrong there. Dont look only the prices stated there. He is the one of the cheapest and very reliable+ speaks good English. He and Chai from linearmotionbearing .  He gives extremely good prices for ball screws and rails, especially if you buy all from him. and there is a great choice.  One very important thing is that he can provide almost anything you see on Aliexpress, just ask him. And is speedy with the answers.
 For now he is my best choice of supplier from China.
	 
 - 
	
	
		
1 Attachment(s)
	
	
		Re: AC servo motor help !
	
	
		I followed the pcb traces in AASD-30 servo driver and made a simple schematic
Attachment 11103
Also in CN1 connector the missing components are:
R78
R79
R80
R132
R134
R135
R136
R137
R139
C65
C66
C67
C68
C69
C70
C106
D11
D12
Z1
Z2
U22 -> 16 PINS
U35 -> 8 PINS
CN1 -> 6 PINS
	 
 - 
	
	
	
		
Re: AC servo motor help !
	
	
		
	Quote:
	
		
		
			
				Originally Posted by 
rnr107
				
			 
			
Now, there is nothing in there requiering a phase shift between the 3 phases coming in....all the bridge rectifiers care about is 240V AC...
So, I decided to connect  Neutral, Live, Live where the 3 phase were supose to go (L1, L2, L3)... This way the load is spread over the 2 briges as per 3 phase setup.
Tryed that this morning... All good! Motor happy, drive happy... (all stays cool )
Laurent
			
		
	 
 
	Quote:
	
		
		
			
				Originally Posted by 
vre
				
			 
			I followed the pcb traces in AASD-30 servo driver and made a simple schematic
Attachment 11103
Also in CN1 connector the missing components are:
R78
R79
R80
R132
R134
R135
R136
R137
R139
C65
C66
C67
C68
C69
C70
C106
D11
D12
Z1
Z2
U22 -> 16 PINS
U35 -> 8 PINS
CN1 -> 6 PINS
 
			
		
	 
 
Not that i am an expert, but common sense tells me that by the way Lauren connected his drive he achieved nothing more than using only 1 rectifier, assuming his drive has similar schematic.
From what i see the way to use the 2 rectifiers will be to connect /phase and ground/  to each rectifiers 2 legs  /s and s /  in parallel which means the rect 2 s and s inputs MUST be un soldered or the path cut with exacto knife so that they are not together
It probably will work without problem with 1 rectifier.If is not possible to unsolder the rectifier legs or split the path with exacto knife, having in mind that on ebay are selling big heavy duty rectifiers for dirty cheap, just 1 bigger  rectifier and forget about connecting the second.
PS. Dont mess adding components, what is written on a board and is missing, does not mean you can add it without understanding what you are doing.
	 
 - 
	
	
		
1 Attachment(s)
	
	
		Re: AC servo motor help !
	
	
		The pcb over the rectifiers has some ceramic caps as shown in photos. So its probably better to not modify the pcb.
I will check what these small ceramic caps do...
I think (please correct me if iam wrong) that if you bridge 2 ~ of 1st rectifier (means to bridge L1 with L2) and connect phase/neutral to L1-L2/L3 i think all diodes (8 from 8) used without modifying the pcb.
To understand why this happens see following the image
Attachment 11114
(In second rectifier the 2 ~ are allready bridged so you must bridge the 2 ~ of first rectifier to make all diodes to work with single phase 230VAC)
I will check with oscilloscope if the smoothing in single phase is ok with default caps and if the driver need more caps for smoothing...
I have tested the servo motor/driver with phase/neutral connected in L1/L2 and L3 unconnected (using only 1 rectifier) and seems to working.
To use 6 diodes from 8 totally with this type of pcb wiring you must connect phase/neutral to L3/L1 or L3/L2 because the in 2nd rectifier
the 2 ~ legs are bridged. With phase/neutral to L1/L2 only 4 diodes of 8 used. 
I have understand what missing components do. They are very cheap and i can't undestand why the manufacturer did not added them to give rs232/485 communication port.
The question is if LCMXO640C-3TN144C chip supports rs232/485...
Iam not having schematic for missing components but i found what they do.
U22 is a max232 ic (for rs232) and u35 is a sp485 ic (for rs485) 6 pin cn1 connector is a mini 6pin din ( PS/2 ) connector witch provides rs232 & rs485 connection.
I have downloaded the datasheets of these ics (show in example circuits adjacent components values) and followed the traces in pcb and from that i read in manual you send me i beleive that i would find the extra smd resistors/caps/choke coils/diodes.
I have already ordered from ebay max232 & sp485 also i have oscilloscope & some spare smd resistors/caps/chokes/diodes so i would try
to add in this servo driver serial communication port.
The is no risk to burn some critical because D11 & D12 missing diodes is for protecting the LCMXO640C-3TN144C chip.
	 
 - 
	
	
	
		
Re: AC servo motor help !
	
	
		The bigger question is WHY? What benefit will you get adding rs232/485 capability? Seems a lot of work for little return plus the internal software of the VFD may not be configured to use it.
	 
 - 
	
	
		
1 Attachment(s)
	
	
		Re: AC servo motor help !
	
	
		No its not big work because i have PS/2 connector & spare smd parts
i have ordered 10pcs from each ICs (max232 & SP485) from ebay and i have allready found the most parts values.
The manufacturer price for this operation is only 50 cny ( 6 euros )
´®¿Ú¹¦Äܲ¹²î¼Û-ÌÔ±¦Íø so i will try to pay him to give me the values of components.
The driver supports rs232/485 with extra 6 euro.
I found manufacturer(perhaps wholesale seller) webpage: cnyfdz.com
Also i have tested the driver with the connection phase -> L1-L2 bridged , neutral -> L3 and works fine with using 2 rectifiers (8 of 8 diodes in the 2 rectifiers).
So this is the proper way to connect this drive in single phase 230VAC next is to measure DC bus for ripple on big electrolytic caps (with default 3 caps)
I want to connect these servos with pc (mach3) and because for first time iam using servos i need some help how to connect them with pc parallel port.
Here is the manual of this drive version 3 (in version 2 a lot of things are wrong/missing)
	 
 - 
	
	
	
		
Re: AC servo motor help !
	
	
		I found all missing electronic components for rs232 rs485 connection (i have tested the connection with these components and works fine)
R78 470R
R79 470R
R134 4k7
R137 4k7
R80 5k1
R135 5k1
R139 5k1
R132 10R
R136 10R
C65 1uF
C66 1uF
C70 1uF
C67 1uF
C68 1uF
C69  0.1uF
C106 0.1uF
D11 S4 signal diode
D12 S4 signal diode
Z1 SMB 6.8CA TVS
Z2 SMB 6.8CA TVS
U22 MAX232 16pins  (with MAX232A C65 C66 C70 C67 C68 = 0.1uF)
U35 MAX485 8pins
CN1 PS/2 connector 6pins (The holder for the fuse in L1 line must removed and the fuse must soldered without the fuse holder because there is not enough free space for PS/2 6pins connector)
Also the new version of manual ASDD-30A ( v3.1 ) 
http://www.filedropper.com/asdd-30aenv31
http://www5.zippyshare.com/v/38122167/file.html
http://www.filedropper.com/asdd-30acnv31
http://www5.zippyshare.com/v/13393384/file.html
	 
 - 
	
	
	
		
Re: AC servo motor help !
	
	
		I am baffled by your mod. Very brave.
	 
 - 
	
	
	
		
Re: AC servo motor help !
	
	
		Also 2 free programs to set parameters with modbus i have tested and worked fine are qModMaster and qModBus
	 
 - 
	
	
		
1 Attachment(s)
	
	
		Re: AC servo motor help !