Hello everyone,
I finally finished my wiring diagram ! Can anyone have a look at it and let me know what they think ? I used QEletrotech, which is great for custom parts but does not provide the option to set wire colors. It does have a few bugs on Mac OS X and crashes unexpectedly every 10 minutes, but other than that it's great !
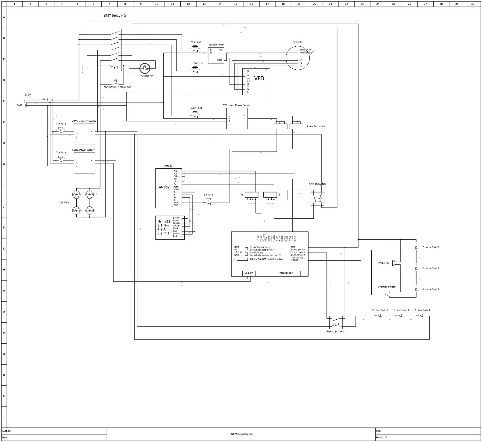
Setup:
- 4 x AM882 drivers
- 4 x Nema23 4.2A 3.2mH from CNC4YOU
- 5 axis BOB
- 70V 10A DIY Linear Power Supply
- 36V 9.7A Switching Power Supply
- VFD + 2.2kW water cooled spindle
- Water pump
- [ESS Smoothstepper to come into play in the next few months, currently focusing on having a machine that runs. Parallel port in enough for the first few weeks/months to learn and don't risk burning up a 225 Euro board.]
Before looking at the diagram, please read the following:
1. Notes:
- The relay used with ENABLE is there to sensure that if something goes wrong with Mach3 or the BOB the steppers drivers don't keep streaming to the steppers. Most of you trust the software. I don't.
- I am open to simplification ideas. Bear in mind that I am not an electronics engineer.
2. Questions I have:
- I'm not sure it's possible to find 6PST relays (?).
Quote:
Yes it is possible. It's cheaper to buy lower PST relays. You can get two 3PST relays and wire them
- Can I use my 36VDC 9.7A power supply and convert it (using converters, if that exists ?) to 24V for the relays, 5V for the BOB and 12V for the fans ?
Quote:
Yes, those converters exist, but it's easier, safer and cheaper to buy a 24V and 5V PSUs.
Quote:
You can do it with DC-DC converters, but it might cost more than new power supplies. A potential problem with DC-DC converters is that they can become unstable is they are driving long wires and the load changes quickly.
- Should I plug the water pump separately or make it's power source go through the control box in order to keep all connections and lines at one place ? (this is the option chosen in the current diagram)
Quote:
Personal opinion: its power source should go through the control box mains relay/contactor. You want the E-STOP to turn it off, because water spilling everywhere while cutting because of some broken or not well attached pip would be a good reason to push it :GB_bonesrock:.
- Is it necessary to put a fuse for the pump ? It's a cheap 6L/min chinese pump that plugs directly to the wall. I need to look for the power consumption but I doubt there are any inscriptions on it :/
Quote:
Personal answer: it's up to everyone's choice. The pump will probably brake from its chinese quality instead of a power peek or short circuit.
- Is it necessary - and if yes, why - to ground each stepper's shield ? Same question for the limit/home switches ?
Quote:
The ground wire going to the stepper and limit switches is a "screen". You must not use it for a signal and must (in most cases) only connect it at one end of the wire. The idea of a screen is that any interference gets onto the screen (protecting the signal wires) which then dumps the energy into a common ground point. If you have multiple ground point then this energy can radiate out into the signals you are protecting. So for a noisy (electrically) CNC machine I will use screened cables for all external cables and some internal ones. The screen of all these will go to a single point where the earth connects to the control box.
Quote:
Another solution, thought more expensive, is to use shielded cables which keep have a shield that contains interferences inside a Faraday Cage (made with a metallic braid).
- How do I use the 24V input interface for spindle control ? How do I wire it to the VFD ?
Diagrams:
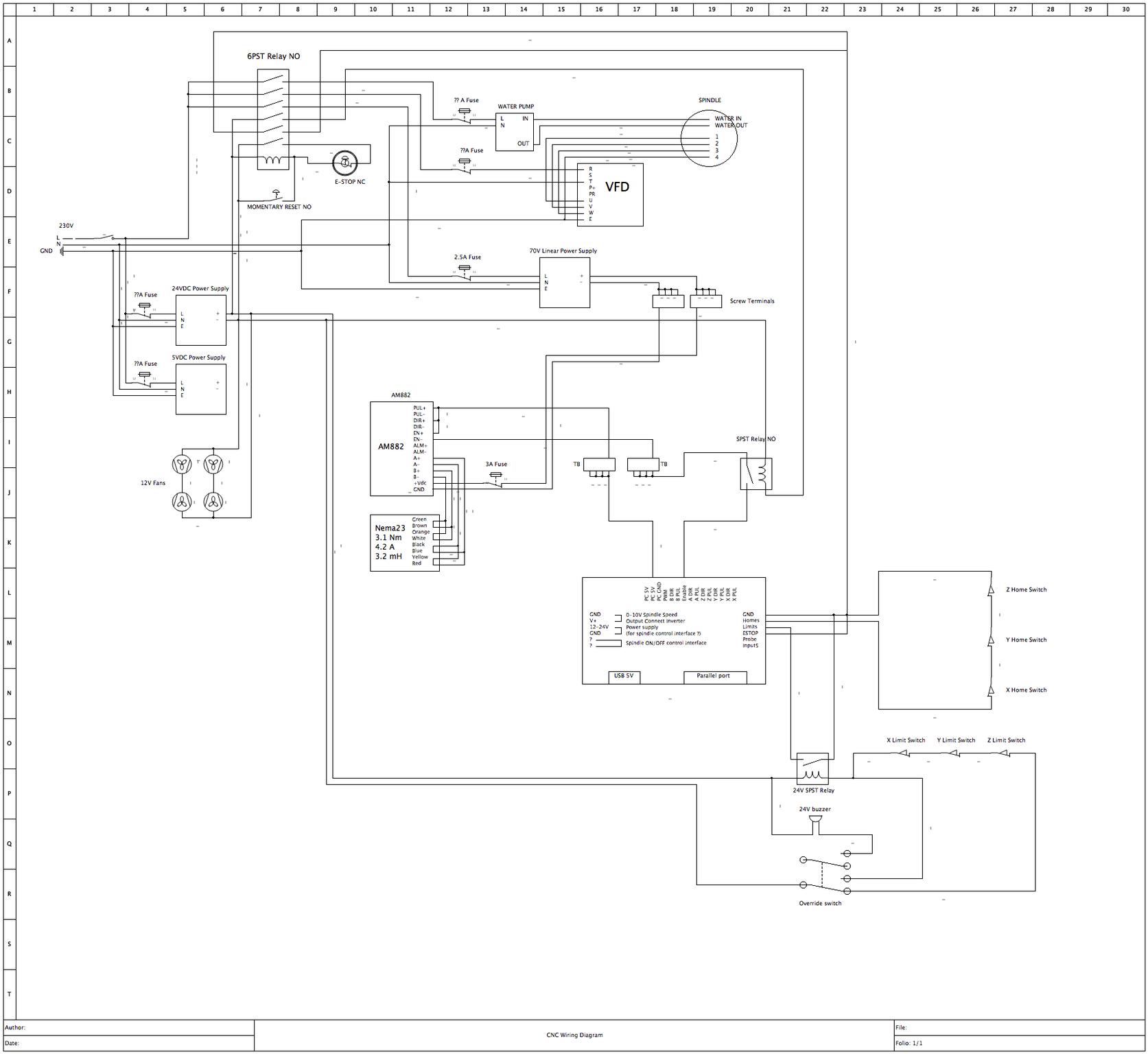
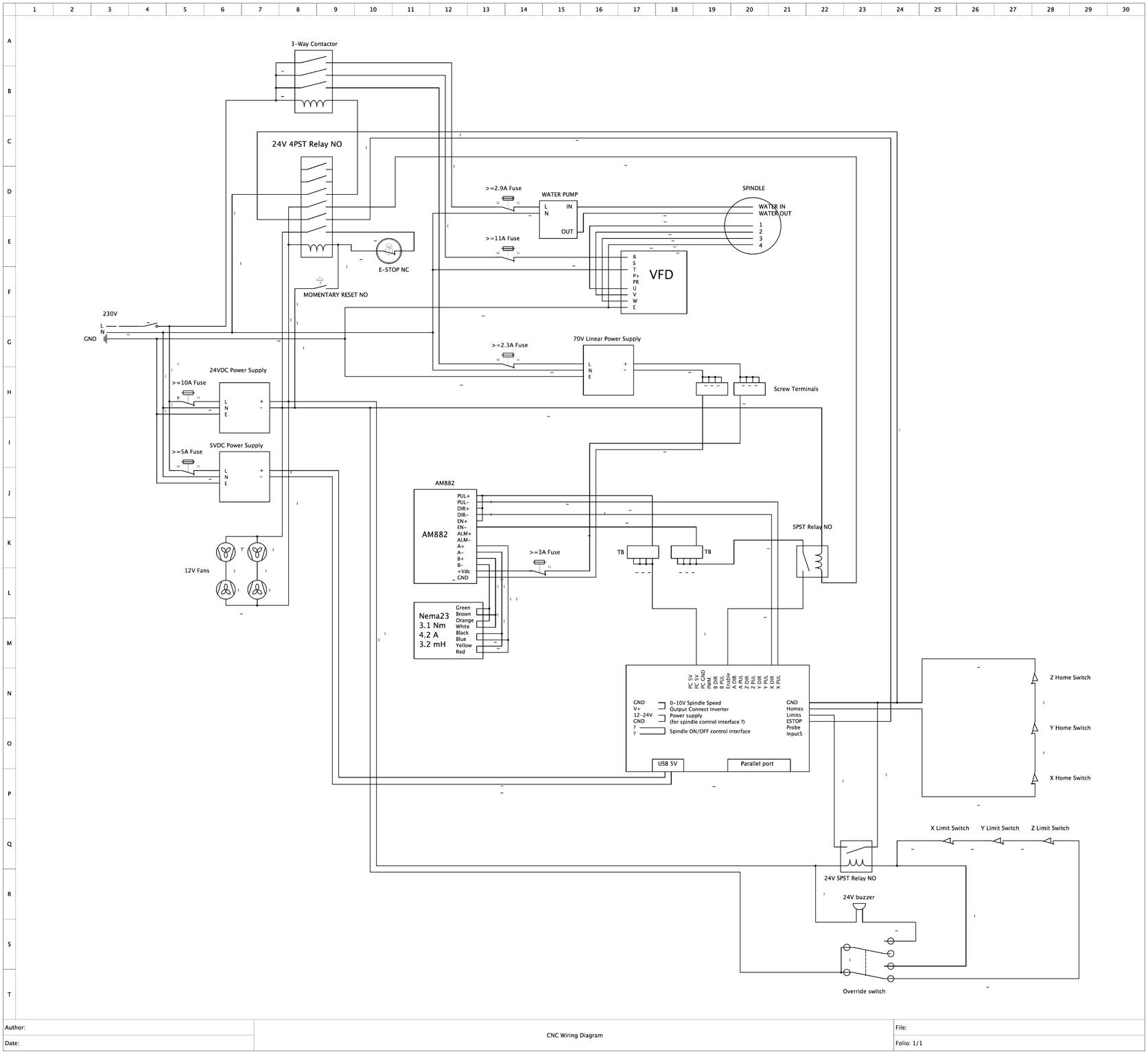
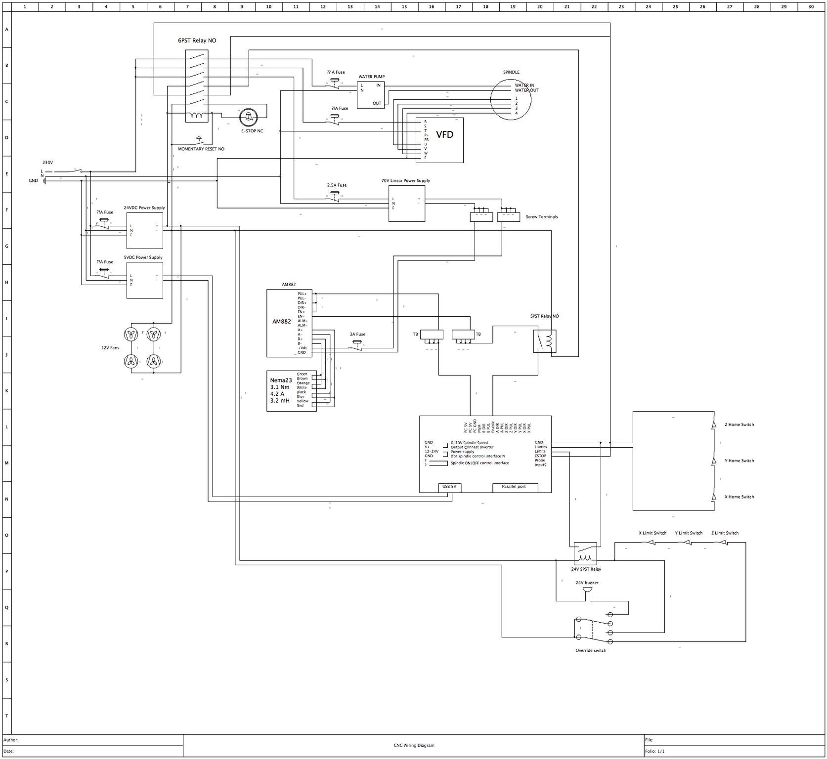
- Main wiring diagram (drivers, BOB, and motors connections are detailed).
Attachment 16845
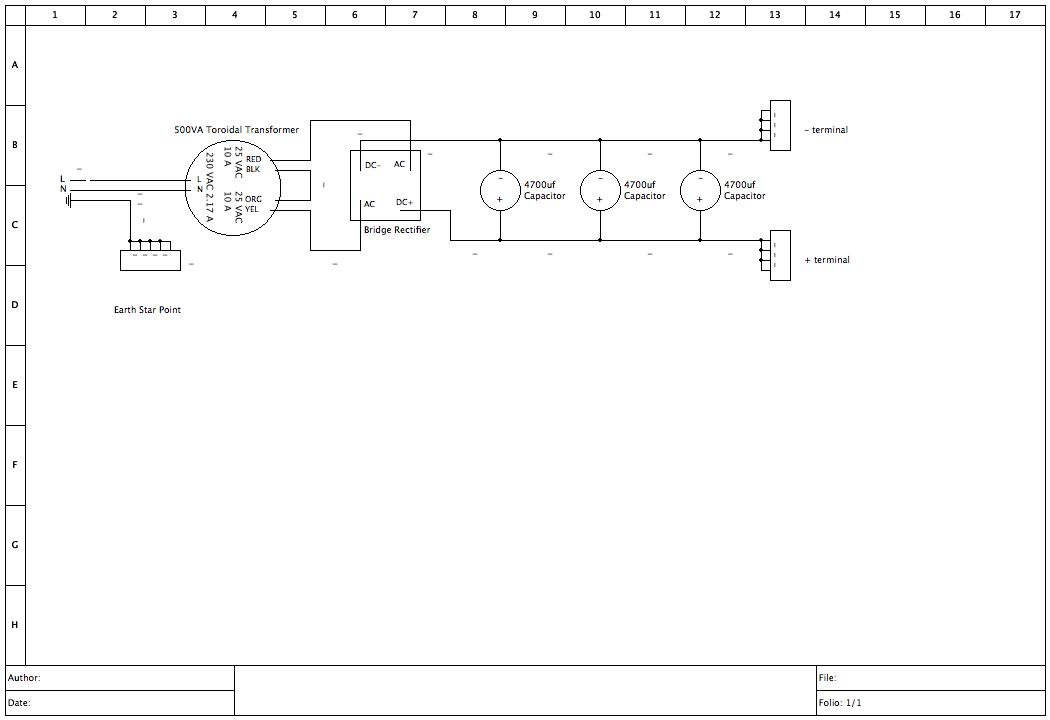
Last updated Dec. 18, 2015.- PSU (reproduced from JAZZ's award winning video). Just double checking so I don't screw up my transformer a second time.
Attachment 16838
Last updated Dec. 18, 2015.
Thank you for your help and patience :) !
PS: For those interested, here are the QElectrotech files:
Attachment 16822

