Thread: Let the fun begin !!! ???
-
11-02-2015 #71Paulro I think what you are referring to is the bolt that holds the toroidal transformer through the centre to the chassis. What you must not do is connect an earth wire to the end of the bolt that is not touching the chassis. The reason of this is that it will give you a shorted turn on the transformer by connecting the bolt from the two ends to the same point ie earth. ..Clivei think it was in relation to the main screw of the coil touching or not touching the base plate . i'll have to dig it out and give it a read again.
-
The Following User Says Thank You to Clive S For This Useful Post:
-
11-02-2015 #72
so i have a coil with 2 insulating rubber pads ( 1 per side of the coil) a steel dish washer to sit on top of 1 rubber pad and a bolt to secure the whole lot through the disc on to a metal plate that will be earthed anyway. so the steel disc will be earthed through the frame and if i put another earth at the top i'm creating a shorted turn. Standard Range Toroidal Transformers- CM0750225- 750VA 230v to 2x25v that is good to know , i've been searching the forum for a thread that explained the construction but couldn't find it . by the way is my understanding of how the coil is assembled correct or am i assuming the assembly incorrectly?
-
11-02-2015 #73
http://www.mycncuk.com/threads/8421-...6783#post66783
There's a diagram of the power supply....there are a few posts on the forum where people have put links to the actual items that they have used...I'll be looking for them myself again soon!
-
The Following User Says Thank You to njhussey For This Useful Post:
-
11-02-2015 #74
-
The Following User Says Thank You to EddyCurrent For This Useful Post:
-
11-02-2015 #75
thanks guys i'm about to put the first elec dwg. together and when it's finished you might critique it and let me know
-
11-02-2015 #76
-
The Following User Says Thank You to Clive S For This Useful Post:
-
11-02-2015 #77
-
The Following User Says Thank You to EddyCurrent For This Useful Post:
-
11-02-2015 #78
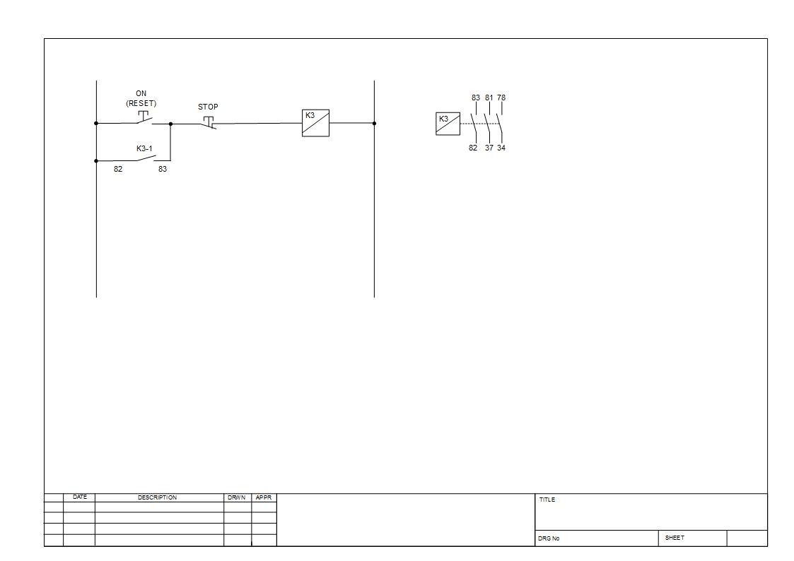
well here is the PSU and e stop circuit . i'm not sure if my calcs. are correct so i could do with a second opinion. i have calculated for 5 motors but i'm only using 4 to get the me up and playing . the 5 motor will be for the A axis further on up the road ( https://www.youtube.com/watch?v=EIwEh6ZmFFs) i have calculated for the lowest cap. and rectifer but will go with something with more head room. any way , feed back would be great , cheers in advance
Last edited by PAULRO; 26-03-2015 at 09:38 PM.
-
12-02-2015 #79
-
The Following User Says Thank You to Clive S For This Useful Post:
-
12-02-2015 #80
Paulro That looks fine to me the rectifiers are usually 30 - 50 A anyway. Not sure I would switch the earth out though. ..Clive
-
The Following User Says Thank You to Clive S For This Useful Post:
Thread Information
Users Browsing this Thread
There are currently 8 users browsing this thread. (0 members and 8 guests)
Similar Threads
-
NEW MEMBER: Hello everyone. Total newbie here. Where do I begin?
By DarkWalkJRB in forum New Member IntroductionsReplies: 2Last Post: 07-02-2012, 08:31 PM

Reply With Quote


..Clive

Bookmarks